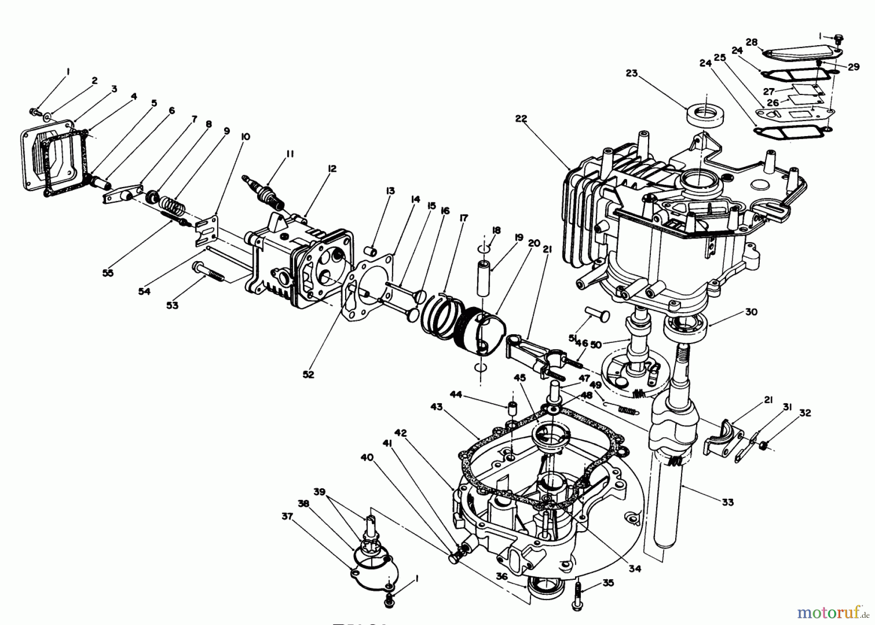
Toro 20620 - Lawnmower, 1988 (8000001-8999999) ENGINE ASSEMBLY (MODEL NO. VMH7) Ricambi
ENGINE ASSEMBLY (MODEL NO. VMH7) 20620 - Toro Lawnmower, 1988 (8000001-8999999)



Gestione della qualità
Aiutaci a migliorare il nostro sito. Informaci se trovi un errore.

