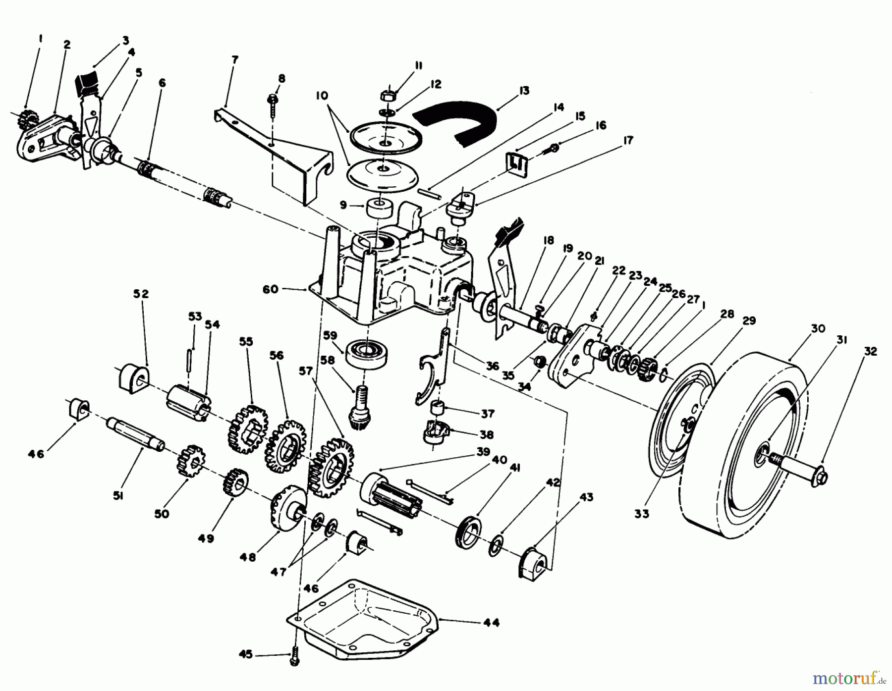
Toro 20620 - Lawnmower, 1987 (7000001-7999999) GEAR CASE ASSEMBLY (USED ON UNITS WITH SERIAL NO. 7050000 & UP) Ricambi
GEAR CASE ASSEMBLY (USED ON UNITS WITH SERIAL NO. 7050000 & UP) 20620 - Toro Lawnmower, 1987 (7000001-7999999)



Gestione della qualità
Aiutaci a migliorare il nostro sito. Informaci se trovi un errore.












