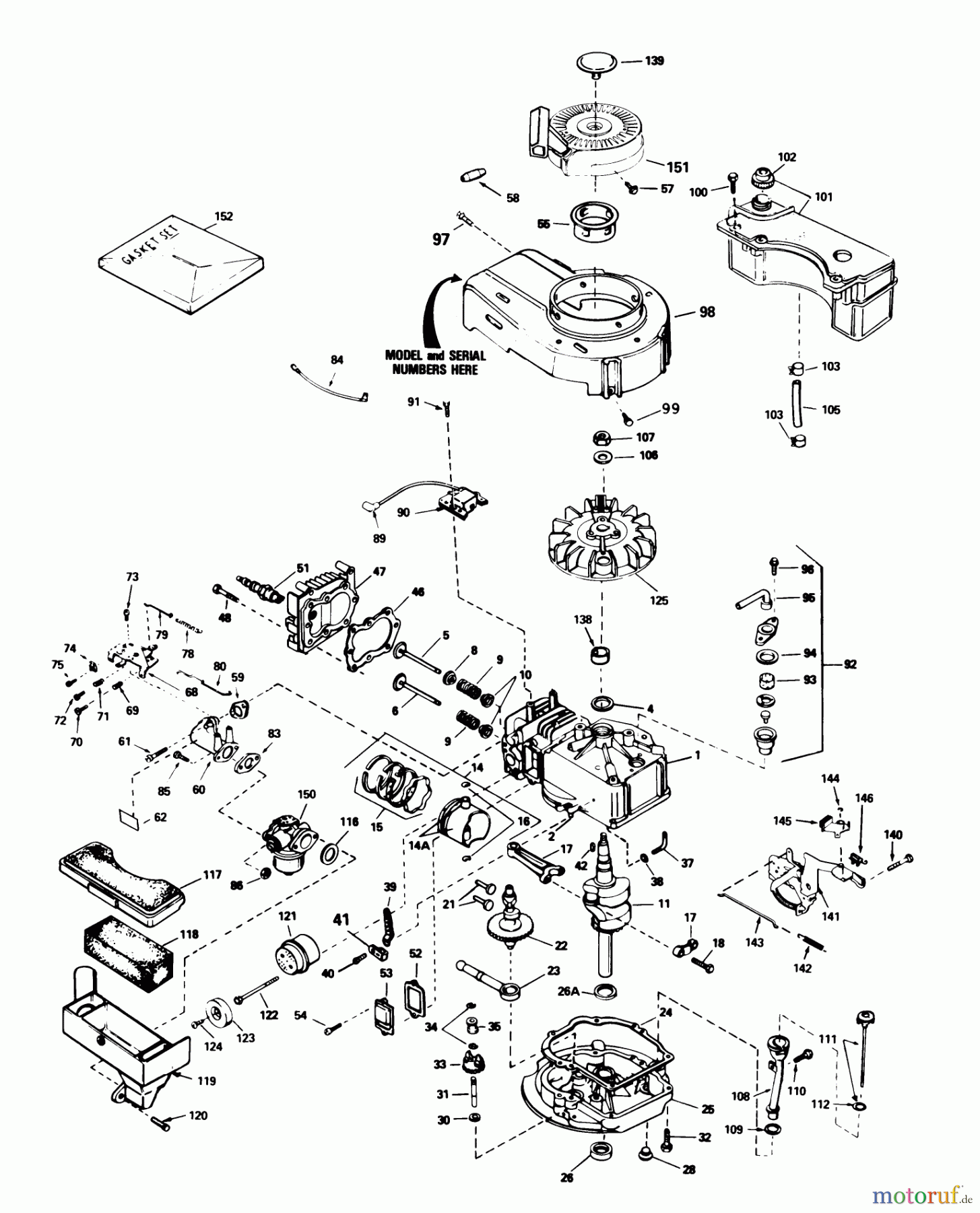
Toro 20588 - Lawnmower, 1987 (7000001-7999999) ENGINE TECUMSEH MODEL NO. TVS100-44011A (USED ON UNITS WITH SERIAL NO. 7004103 & UP) Ricambi
ENGINE TECUMSEH MODEL NO. TVS100-44011A (USED ON UNITS WITH SERIAL NO. 7004103 & UP) 20588 - Toro Lawnmower, 1987 (7000001-7999999)



Gestione della qualità
Aiutaci a migliorare il nostro sito. Informaci se trovi un errore.





