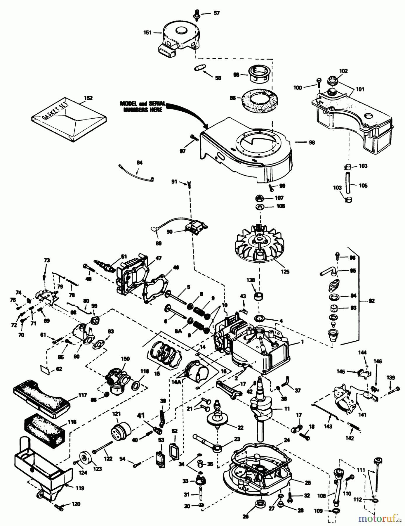
Toro 20586 - Lawnmower, 1986 (6000001-6999999) ENGINE TECUMSEH MODEL TVS100-44002 (USED ON UNITS WITH SERIAL NO. 6000959 & UP) Ricambi
ENGINE TECUMSEH MODEL TVS100-44002 (USED ON UNITS WITH SERIAL NO. 6000959 & UP) 20586 - Toro Lawnmower, 1986 (6000001-6999999)



Gestione della qualità
Aiutaci a migliorare il nostro sito. Informaci se trovi un errore.





