.it
Benvenuti
Contatti
Spedizione
L’azienda
Guest book
Condizioni e Privacy
Catalogare
Tagliare, profilare
Componenti per motore
Officine meccaniche
Parti e componentistica per macchine varie
Forestali
Articoli elettrici
Articoli invernali
Cinghie trapezoidali e relative pulegge
Filters
PEZZI DI RICAMBIO
Sprocket Rims
Guide Bars
Chainsaw Chains
Search by Part Number
Diagrammi ed elenchi
Servizio
Determine Chain
Ricerca
Il mio account
Registrati
Log in
Settings
DE
EN
FR
ES
IT
Desktop
Toro 20584 - Lawnmower, 1984 (4000001-4999999) GOVERNOR ASSEMBLY Ricambi
Start
Toro Neu
Mowers, Walk-Behind
Seite 1
20584 - Toro Lawnmower, 1984 (4000001-4999999)
GOVERNOR ASSEMBLY
GOVERNOR ASSEMBLY 20584 - Toro Lawnmower, 1984 (4000001-4999999)
Posizione
Articolo numero
Descrizione
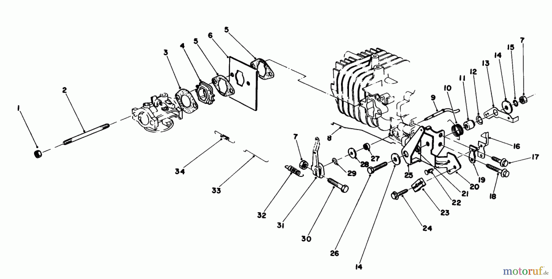
1
TR33023-00
Stoppmutter
2
TR81-2240
Stehbolzen
3
TR81-0780
Dichtung
4
TR81-2190
INSULATOR
5
TR81-2320
Dichtung
6
TR81-2330
DISCONTINUED
7
TR81-0900
Mutter
8
TR81-1720
CHOKE ROD
9
TR81-0840
REGLERWELLE
10
TR81-2460
SPRING-CHOKE LEVER
11
TR81-5780
Distanzbuechse
12
TR81-1820
DISCONTINUED
13
TR81-1670
DISCONTINUED
14
TR50-0760
DISCONTINUED
15
TR81-1450
Scheibe
16
TR81-1840
Anschlag
17
TR81-1170
Schraube
18
TR81-0540
Schraube
19
TR81-1830
Isolierstueck
20
TR81-5770
BRACKET
21
TR81-2470
Scheibe
22
TR81-1850
DISCONTINUED
23
TR81-1690
Bowdenzugklemme
24
TR50-0130
Schraube
25
TR81-1710
Hebel
26
TR81-1730
Schraube
27
TR81-0850
Simmerring
28
TR81-0860
Scheibe
29
TR81-0870
E-RING
30
TR81-0890
DISCONTINUED
31
TR81-0880
DISCONTINUED
32
TR81-1970
DISCONTINUED
33
TR81-0910
Gestaenge
34
TR81-0920
Feder
Gestione della qualità
Aiutaci a migliorare il nostro sito. Informaci se trovi un errore.