.it
Carrello
vuoto
Il mio account
Registrati
Log in
Benvenuti
Contatti
Spedizione
L’azienda
Guest book
Condizioni e Privacy
Catalogare
Tagliare, profilare
Componenti per motore
Officine meccaniche
Parti e componentistica per macchine varie
Forestali
Articoli elettrici
Articoli invernali
Cinghie trapezoidali e relative pulegge
Filters
PEZZI DI RICAMBIO
Sprocket Rims
Guide Bars
Chainsaw Chains
Search by Part Number
Diagrammi ed elenchi
Servizio
Determine Chain
Ricerca
DE
EN
FR
ES
IT
Versione mobile
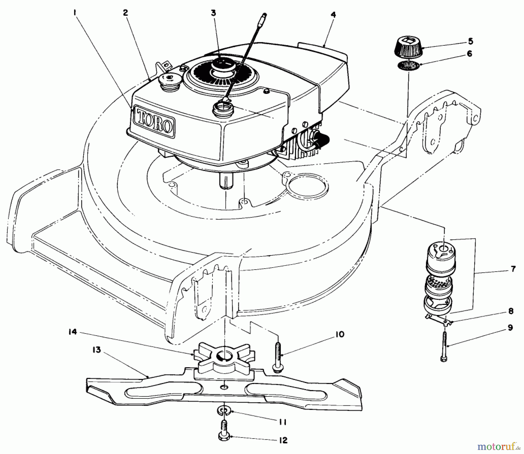
Toro 20577 - Lawnmower, 1984 (4000001-4999999) ENGINE ASSEMBLY Ricambi
Start
Toro Neu
Mowers, Walk-Behind
Seite 1
20577 - Toro Lawnmower, 1984 (4000001-4999999)
ENGINE ASSEMBLY
ENGINE ASSEMBLY 20577 - Toro Lawnmower, 1984 (4000001-4999999)
Posizione
Articolo numero
Descrizione
1
TR70-2200
DECAL
2
TR221731
DISCONTINUE-DESA
3
TR38-1480
PLUG BUTTON
4
TR46-7580
DISCONTINUED
5
TR42-0682
Tankdeckel
6
TR20-4620
Dichtung
7
TR5-4769
AUSPUFF OHNE DICHTUNG
8
TR3-5094
Sicherungsblech
9
TR321-20
Schraube
10
TR11-0581
Schraube
11
TR3253-22
Federring
12
TR26-0671
SCHRAUBE
13
TR33-0490-03
BLADE-18"
14
TR49-7890
Messernabe
TR39-5930
AUSPUFF
Gestione della qualità
Aiutaci a migliorare il nostro sito. Informaci se trovi un errore.