.it
Carrello
vuoto
Il mio account
Registrati
Log in
Benvenuti
Contatti
Spedizione
L’azienda
Guest book
Condizioni e Privacy
Catalogare
Tagliare, profilare
Componenti per motore
Officine meccaniche
Parti e componentistica per macchine varie
Forestali
Articoli elettrici
Articoli invernali
Cinghie trapezoidali e relative pulegge
Filters
PEZZI DI RICAMBIO
Sprocket Rims
Guide Bars
Chainsaw Chains
Search by Part Number
Diagrammi ed elenchi
Servizio
Determine Chain
Ricerca
DE
EN
FR
ES
IT
Versione mobile
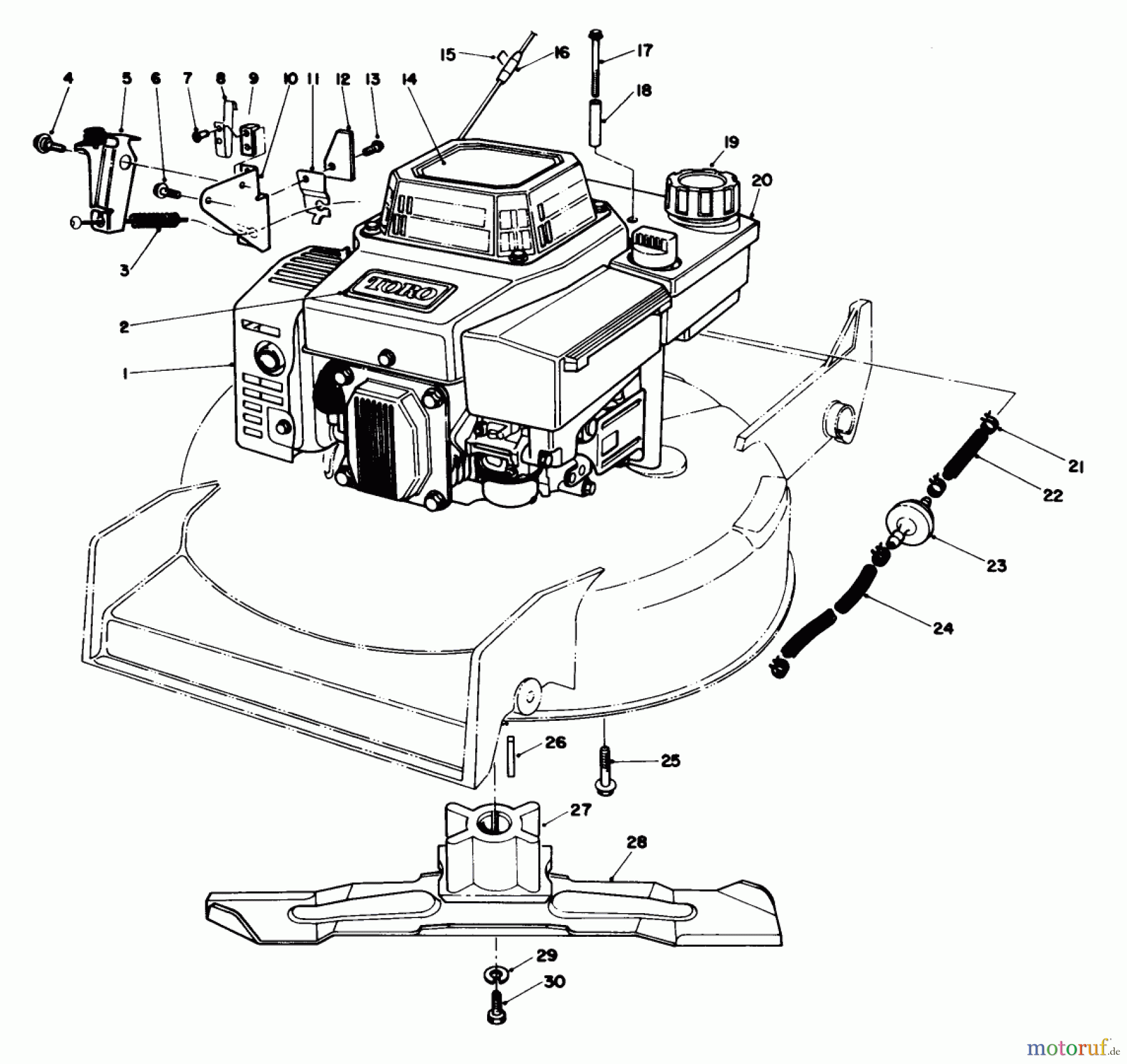
Toro 20526C - Lawnmower, 1988 (8000001-8999999) ENGINE ASSEMBLY Ricambi
Start
Toro Neu
Mowers, Walk-Behind
Seite 1
20526C - Toro Lawnmower, 1988 (8000001-8999999)
ENGINE ASSEMBLY
ENGINE ASSEMBLY 20526C - Toro Lawnmower, 1988 (8000001-8999999)
Posizione
Articolo numero
Descrizione
1
TR72-4144
DISCONTINUED
2
TR98-3206
Toro-Klebeschild
3
TR66-5370
Feder
4
TR92-9698
Schraube
5
TR66-5380
Halteplatte Kpl.
6
TR46-0790
DISCONTINUED
7
TR3290-459
Niete
8
TR60-9010
Federblech
9
TR77-5260
Isolierstueck
10
TR14-6009
Platte
11
TR53-4610
Bowdenzugklemme
12
TR53-4690
Abdeckung
13
TR12-5450
Schraube
14
TR57-3120
DISCONTINUED
15
TR
16
TR81-3980
Seilstopper
17
TR56-6610
Schraube
18
TR57-3830
Huelse
19
TR55-3570
GAS CAP ASM
20
TR55-3530
TANK ASM
21
TR2412-95
CLAMP-FUEL LINE
22
TR51-3211
Benzinleitung
23
TR56-6360
VORFILTER
24
TR51-3214
Benzinleitung
25
TR32144-102
Schraube
26
TR7-0036
KEY-SQUARE
27
TR62-7540
Messernabe
28
TR107-4276-03
BLADE-BAGGING, 21 INCH
29
TR3253-22
Federring
30
TR26-0670
Schraube
TR75-9850
Oelablass Schlauch
TR12-4599
14-6009
Gestione della qualità
Aiutaci a migliorare il nostro sito. Informaci se trovi un errore.