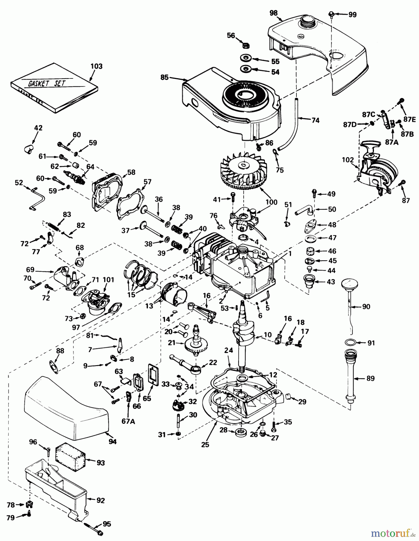
Toro 20506 - Lawnmower, 1976 (6000001-6999999) ENGINE TECUMSEH MODEL NO. TNT 120-12003 Ricambi
ENGINE TECUMSEH MODEL NO. TNT 120-12003 20506 - Toro Lawnmower, 1976 (6000001-6999999)



Gestione della qualità
Aiutaci a migliorare il nostro sito. Informaci se trovi un errore.


