.it
Carrello
vuoto
Il mio account
Registrati
Log in
Benvenuti
Contatti
Spedizione
L’azienda
Guest book
Condizioni e Privacy
Catalogare
Tagliare, profilare
Componenti per motore
Officine meccaniche
Parti e componentistica per macchine varie
Forestali
Articoli elettrici
Articoli invernali
Cinghie trapezoidali e relative pulegge
Filters
PEZZI DI RICAMBIO
Sprocket Rims
Guide Bars
Chainsaw Chains
Search by Part Number
Diagrammi ed elenchi
Servizio
Determine Chain
Ricerca
DE
EN
FR
ES
IT
Versione mobile
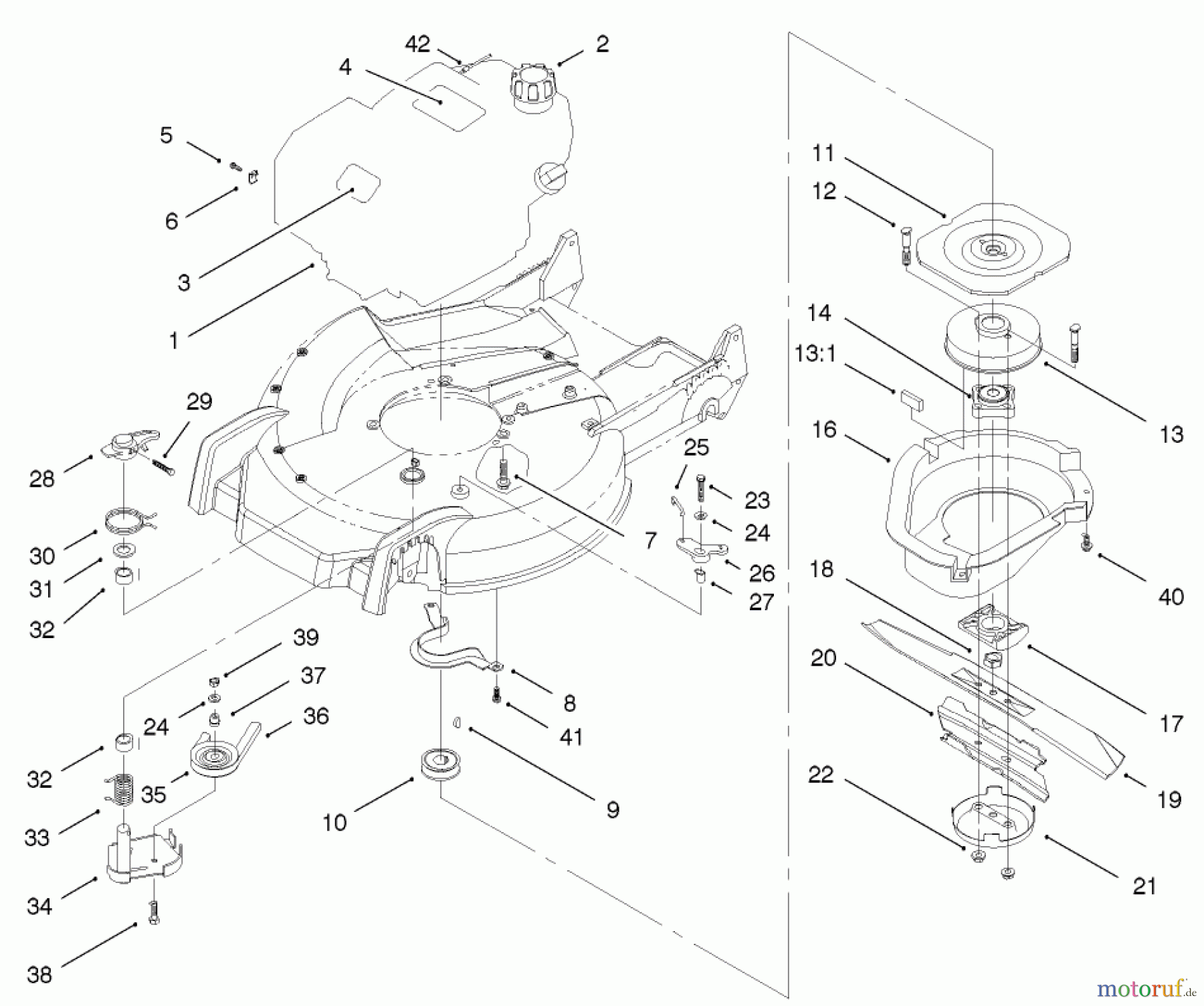
Toro 20487 (SR-21OSBB) - Super Recycler Mower, SR-21OSBB, 1999 (9900001-9999999) ENGINE AND BLADE ASSEMBLY Ricambi
Start
Toro Neu
Mowers, Walk-Behind
Seite 1
20487 (SR-21OSBB) - Toro Super Recycler Mower, SR-21OSBB, 1999 (990000
ENGINE AND BLADE ASSEMBLY
ENGINE AND BLADE ASSEMBLY 20487 (SR-21OSBB) - Toro Super Recycler Mower, SR-21OSBB, 1999 (9900001-9999999)
Posizione
Articolo numero
Descrizione
1
TR
2
TR55-3570
GAS CAP ASM
3
TR98-3206
Toro-Klebeschild
4
TR99-6012
DECAL - RECOIL
5
TR93-8470
Schraube
6
TR2210-249
CLAMP-CASING
7
TR32144-102
Schraube
8
TR66-0570-03
Riemenfuehrung
9
TR3257-17
Keil
10
TR62-7560
Riemenscheibe
11
TR56-6160-03
FLYWHEEL - BBC
12
TR42-3190
BOLT-BLADE
13
TR94-9431
BRAKE DRUM ASM
13:1
TR52-3480
Daempfer
14
TR42-6890
Nabe
16
TR46-5693
Schutzschild
17
TR93-4126
SPACER - BLADE
18
TR3296-33
Mutter
19
TR108-3762-03
Messer Recycler
20
TR93-4181-03
Zusatzluefter
21
TR80-2770
Antiscalpscheibe
22
TR54-9190
Mutter
23
TR32104-107
Schraube
24
TR3256-23
Scheibe
25
TR49-2810
Gestaenge
26
TR49-7960
Hebel
27
TR49-7950
SLEEVE-BELLCRANK
28
TR49-2820
LEVER
29
TR32104-96
Schraube
30
TR49-7970
SPRING-TORSION
31
TR70-1160
WASHER
32
TR68-9780
Lager
33
TR46-5670
SPRING-TORSION
34
TR94-1601
BRAKE PLATE ASM
35
TR117-5299
PULLEY-IDLER
36
TR42-0884
Zahnriemen
37
TR46-5630
HUB-PULLEY, IDLER
38
TR322-16
Schraube
39
TR3296-47
Mutter
40
TR46-6811
Schraube
41
TR32144-70
Schraube
42
TR2210-316
Seilstopper
TR99-2531
BLOCK-SHORT
Gestione della qualità
Aiutaci a migliorare il nostro sito. Informaci se trovi un errore.