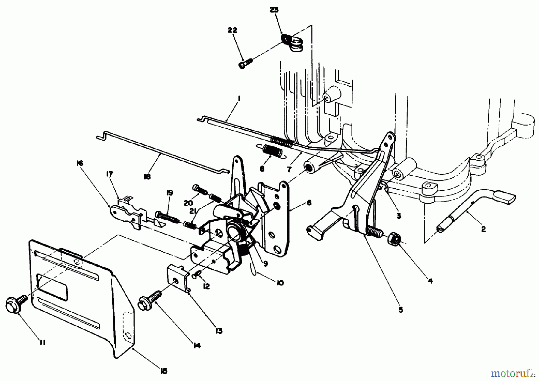
Toro 20320 - Lawnmower, 1992 (2000001-2999999) GOVERNOR ASSEMBLY (MODEL NO. VML0-2) Ricambi
GOVERNOR ASSEMBLY (MODEL NO. VML0-2) 20320 - Toro Lawnmower, 1992 (2000001-2999999)



Gestione della qualità
Aiutaci a migliorare il nostro sito. Informaci se trovi un errore.

