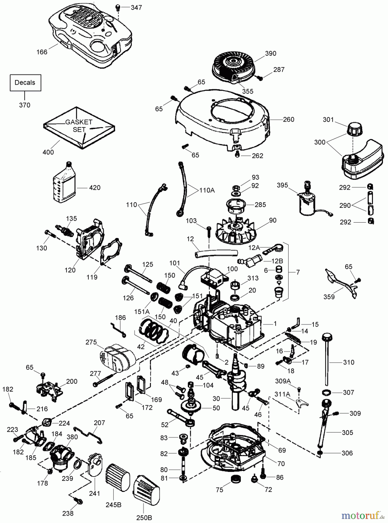
Toro 20076 - 22" Recycler Lawn Mower, 2007 (270000001-270999999) ENGINE ASSEMBLY NO. 1 TECUMSEH LV195XA-362086E Ricambi
ENGINE ASSEMBLY NO. 1 TECUMSEH LV195XA-362086E 20076 - Toro 22" Recycler Lawn Mower, 2007 (270000001-270999999)



Gestione della qualità
Aiutaci a migliorare il nostro sito. Informaci se trovi un errore.






