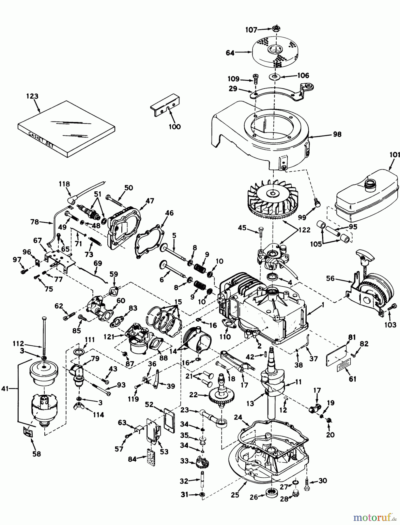
Toro 18214 - Whirlwind Lawnmower, 1969 (9000001-9999999) ENGINE MODEL NO. LAV30-30444H Ricambi
ENGINE MODEL NO. LAV30-30444H 18214 - Toro Whirlwind Lawnmower, 1969 (9000001-9999999)



Gestione della qualità
Aiutaci a migliorare il nostro sito. Informaci se trovi un errore.



