.it
Carrello
vuoto
Il mio account
Registrati
Log in
Benvenuti
Contatti
Spedizione
L’azienda
Guest book
Condizioni e Privacy
Catalogare
Tagliare, profilare
Componenti per motore
Officine meccaniche
Parti e componentistica per macchine varie
Forestali
Articoli elettrici
Articoli invernali
Cinghie trapezoidali e relative pulegge
Filters
PEZZI DI RICAMBIO
Sprocket Rims
Guide Bars
Chainsaw Chains
Search by Part Number
Diagrammi ed elenchi
Servizio
Determine Chain
Ricerca
DE
EN
FR
ES
IT
Versione mobile
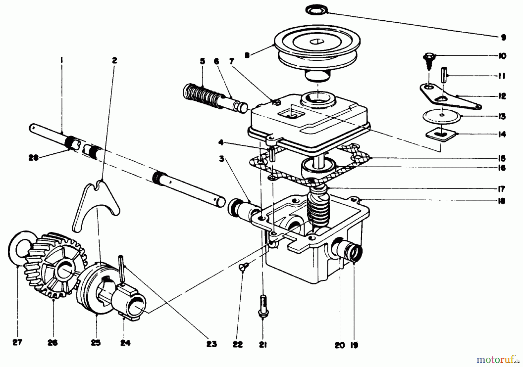
Toro 18060 - Lawnmower, 1979 (9000001-9999999) GEAR CASE ASSEMBLY Ricambi
Start
Toro Neu
Mowers, Walk-Behind
Seite 1
18060 - Toro Lawnmower, 1979 (9000001-9999999)
GEAR CASE ASSEMBLY
GEAR CASE ASSEMBLY 18060 - Toro Lawnmower, 1979 (9000001-9999999)
Posizione
Articolo numero
Descrizione
1
TR37-9440
DRIVE SHAFT (SERVCE)
2
TR5-3247
Schaltklaue
3
TR47-2900
BUSHING
4
TR32121-1
Stift
5
TR3-0731
Feder
6
TR46-8240
Schaltstange
7
TR33-2080
DISCONTINUED XREF
TR39-1100
DISCONTINUED PRC4
8
TR20-2780
Riemenscheibe
9
TR3290-346
Sicherung
10
TR32144-112
Schraube
11
TR32121-23
Stift
12
TR5-3252
Hebel
13
TR3-2615
Scheibe
14
TR3-0681
Platte
15
TR6-1000
16
TR51-144
TR47-7250
Kugellager
17
TR6-9949
Schnecke+Schneckenrad
TR8-5679
WORM SHAFT & GEAR SET
18
TR8-0479
Getriebegehaeuse
19
TR47-6730
Simmerring
20
TR47-2890
Buechse
21
TR49-2040
Schraube
22
TR28-1550
Schraube
23
TR32121-88
Haltestift
24
TR3-0721
Mitnehmer
25
TR19-5660
Kupplungsritzel
26
TR
27
TR3-0724
Scheibe
28
TR24-7920
Plastikschlauch
TR8-6879
Getriebe
Gestione della qualità
Aiutaci a migliorare il nostro sito. Informaci se trovi un errore.