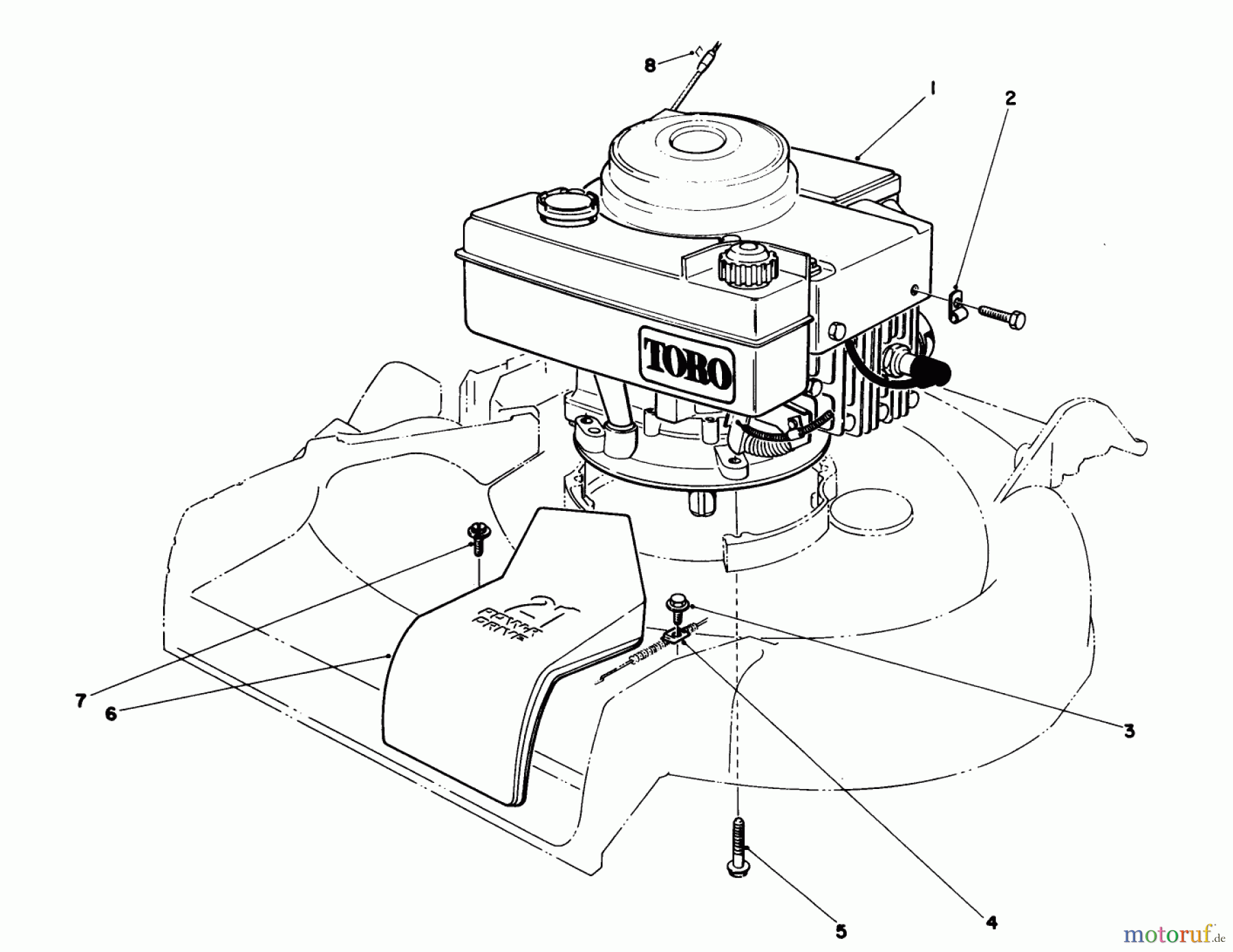
Toro 16775 - Lawnmower, 1988 (8000001-8022965) ENGINE ASSEMBLY Ricambi
ENGINE ASSEMBLY 16775 - Toro Lawnmower, 1988 (8000001-8022965)

| Posizione | Articolo numero | Descrizione | |
| 1 | TR | ||
| 2 | TR2412-63 | DISCONTINUED | |
| 3 | TR32144-11 | Schraube | |
| 4 | TR62-3720 | CLAMP-CABLE | |
| 5 | TR11-0580 | Schraube | |
| 6 | TR46-4780 | Riemenabdeckung | |
| 7 | TR12-5450 | Schraube | |
| 8 | TR | ||


Gestione della qualità
Aiutaci a migliorare il nostro sito. Informaci se trovi un errore.

