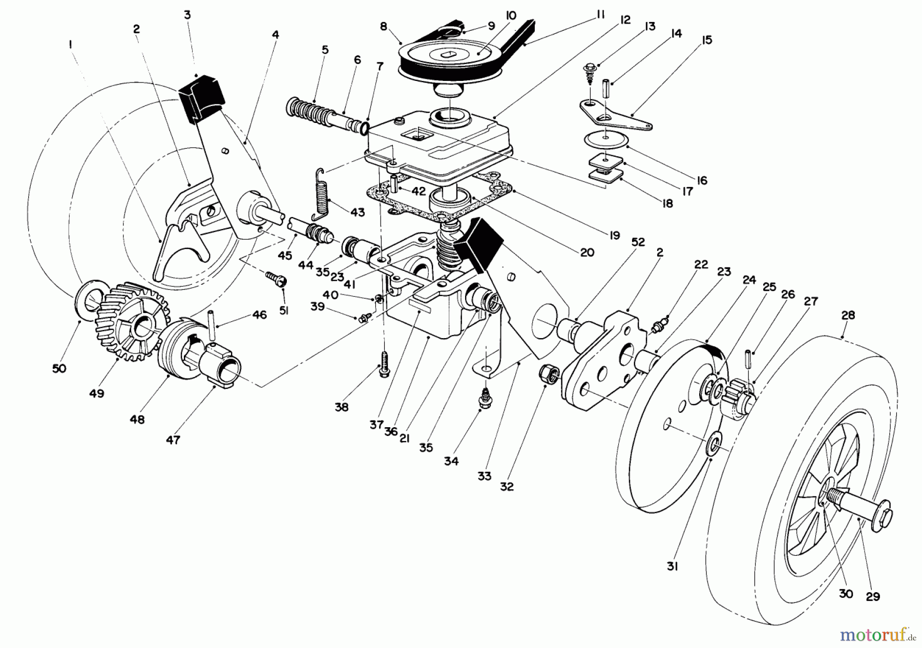
Toro 16401 - Side Discharge Mower, 1994 (4900001-4999999) GEAR CASE ASSEMBLY Ricambi
GEAR CASE ASSEMBLY 16401 - Toro Side Discharge Mower, 1994 (4900001-4999999)



Gestione della qualità
Aiutaci a migliorare il nostro sito. Informaci se trovi un errore.







