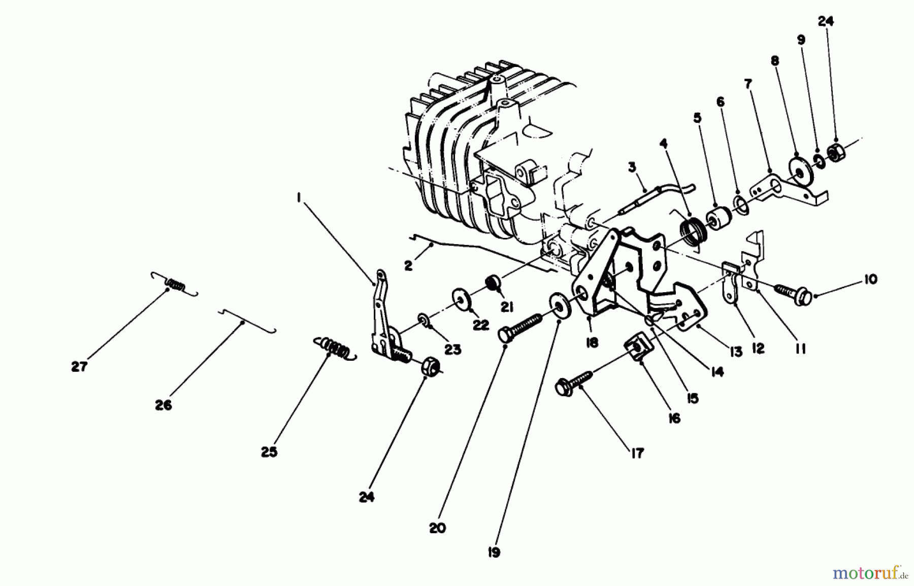
Toro 16212C - Lawnmower, 1988 (8000001-8999999) GOVERNOR ASSEMBLY (MODEL NO. 47PH-7) Ricambi
GOVERNOR ASSEMBLY (MODEL NO. 47PH-7) 16212C - Toro Lawnmower, 1988 (8000001-8999999)



Gestione della qualità
Aiutaci a migliorare il nostro sito. Informaci se trovi un errore.


