Toro 16212C - Lawnmower, 1987 (7000001-7999999) IGNITION ASSEMBLY (MODEL NO. 47PG6) Ricambi
IGNITION ASSEMBLY (MODEL NO. 47PG6) 16212C - Toro Lawnmower, 1987 (7000001-7999999)

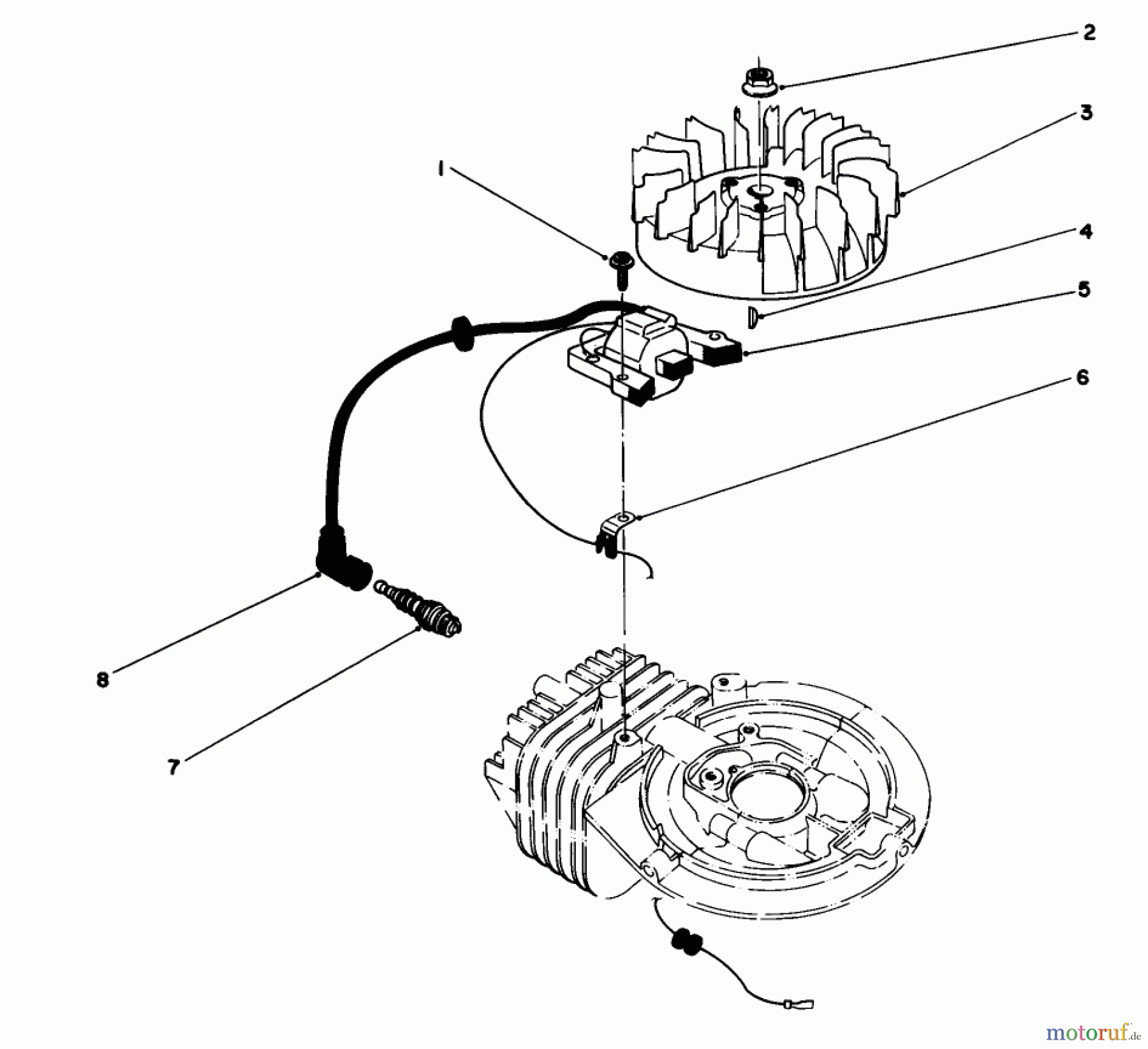
| Posizione | Articolo numero | Descrizione | |
| 1 | TR81-5680 | SCREW | |
| 2 | TR81-1330 | Mutter | |
| 3 | TR81-2810 | Schwungscheibe | |
| 4 | TR81-2370 | Keil | |
| 5 | TR81-2820 | COIL-MAGNETO | |
| 6 | TR81-1480 | Klemme | |
| 7 | TR50-1170 | Zuendkerze | |
| 8 | TR81-1500 | Zuendkerzenstecker | |
| TR41-765 | |||


Gestione della qualità
Aiutaci a migliorare il nostro sito. Informaci se trovi un errore.

