.it
Carrello
vuoto
Il mio account
Registrati
Log in
Benvenuti
Contatti
Spedizione
L’azienda
Guest book
Condizioni e Privacy
Catalogare
Tagliare, profilare
Componenti per motore
Officine meccaniche
Parti e componentistica per macchine varie
Forestali
Articoli elettrici
Articoli invernali
Cinghie trapezoidali e relative pulegge
Filters
PEZZI DI RICAMBIO
Sprocket Rims
Guide Bars
Chainsaw Chains
Search by Part Number
Diagrammi ed elenchi
Servizio
Determine Chain
Ricerca
DE
EN
FR
ES
IT
Versione mobile
Toro 16212 - Lawnmower, 1990 (0000001-0999999) HOUSING ASSEMBLY Ricambi
Start
Toro Neu
Mowers, Walk-Behind
Seite 1
16212 - Toro Lawnmower, 1990 (0000001-0999999)
HOUSING ASSEMBLY
HOUSING ASSEMBLY 16212 - Toro Lawnmower, 1990 (0000001-0999999)
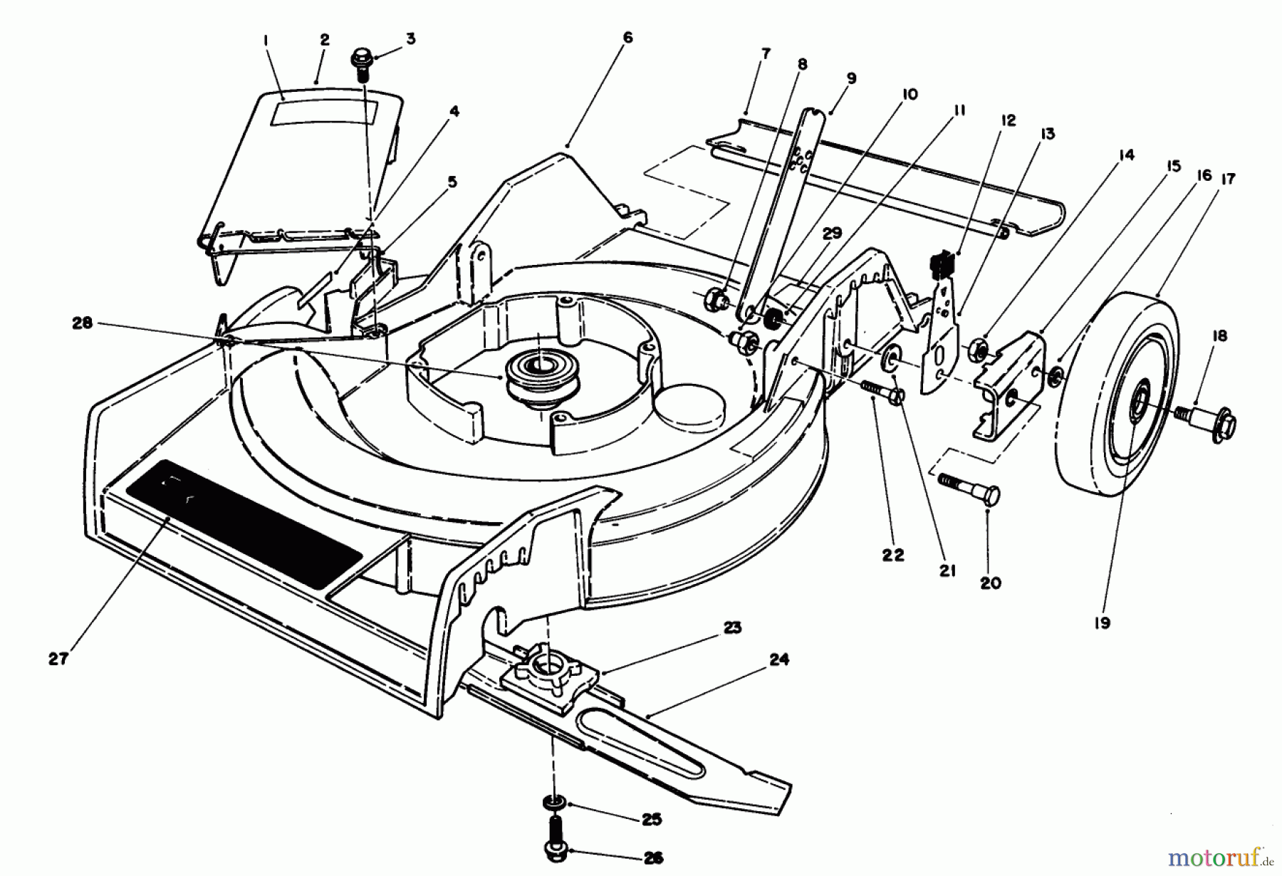
Posizione
Articolo numero
Descrizione
1
TR62-4210
DECAL - DANGER DEFL
2
TR13-5909
Auswurfblech
3
TR46-6811
Schraube
4
TR62-4200
DISCONTINUED
5
TR20-2640
SPRING HINGE
6
TR13-3489
DISCONTINUED
7
TR66-5990
Schutzschild
8
TR27-6520
HANDLE PIVOT NUT
9
TR27-7080
HANDLE LATCH
10
TR12-2080
HANDLE PIVOT NUT
11
TR3-3287
Buechse
12
TR25-7740
Hebelknopf
13
TR66-9260
Stellhebel Li.
TR66-9250
Stellhebel Re.
14
TR32153-11
Mutter
15
TR47-2940
Radlasche
16
TR40-1940
Scheibe
17
TR51-2751
Rad
18
TR27-6230
BOLT-WHEEL
19
TR27-6250
Buchse
20
TR44-5271
Bolzen
21
TR33-0390
Scheibe
22
TR322-6
Schraube
23
TR49-7900
BLADE RETAINER
24
TR20-2720-03
BLADE-21"
25
TR3253-22
Federring
26
TR26-0671
SCHRAUBE
27
TR70-1590
Klebeschild
28
TR46-7910
PULLEY-DRIVER
29
TR
Gestione della qualità
Aiutaci a migliorare il nostro sito. Informaci se trovi un errore.