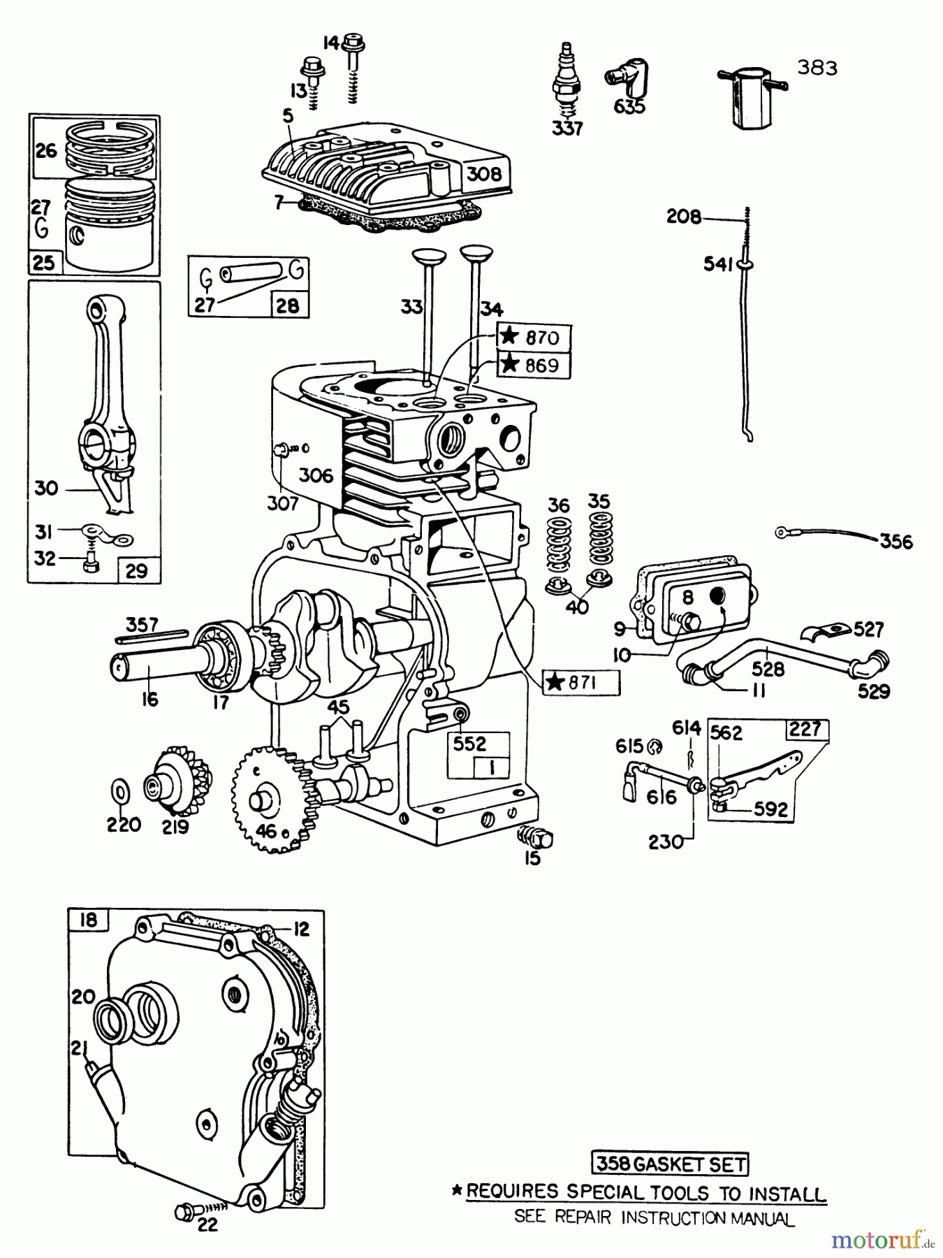
Toro 03108 - 58" Professional, 1982 (2000001-2999999) ENGINE BRIGGS & STRATTON MODEL NO. 130232-1123-01 #1 Ricambi
ENGINE BRIGGS & STRATTON MODEL NO. 130232-1123-01 #1 03108 - Toro 58" Professional, 1982 (2000001-2999999)



Gestione della qualità
Aiutaci a migliorare il nostro sito. Informaci se trovi un errore.



