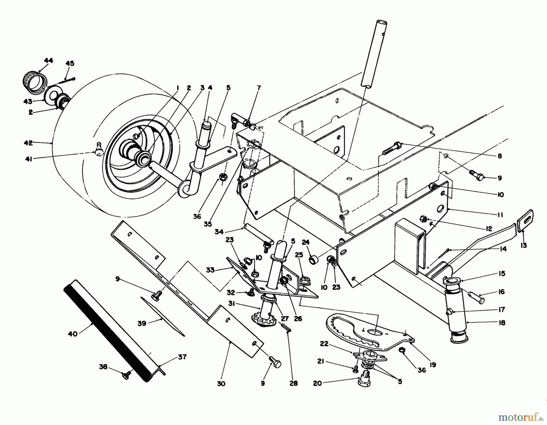
Toro 56190 (10-32) - 10-32 Recycler Rider, 1991 (1000001-1999999) FRONT AXLE ASSEMBLY Ricambi
FRONT AXLE ASSEMBLY 56190 (10-32) - Toro 10-32 Recycler Rider, 1991 (1000001-1999999)



Gestione della qualità
Aiutaci a migliorare il nostro sito. Informaci se trovi un errore.



