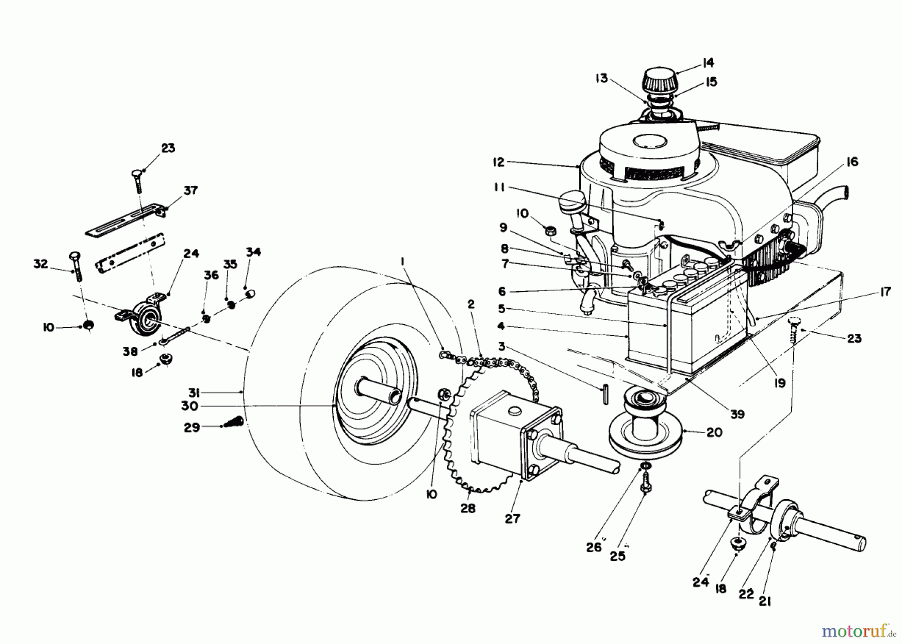
Toro 56125 (7-25) - 7-25 Rear Engine Rider, 1987 (7000001-7999999) ENGINE AND AXLE ASSEMBLY Ricambi
ENGINE AND AXLE ASSEMBLY 56125 (7-25) - Toro 7-25 Rear Engine Rider, 1987 (7000001-7999999)



Gestione della qualità
Aiutaci a migliorare il nostro sito. Informaci se trovi un errore.



