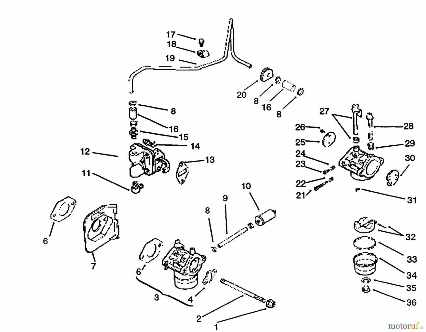
Toro 72042 (264-6) - 264-6 Yard Tractor, 1994 (4900001-4999999) FUEL SYSTEM #1 Ricambi
FUEL SYSTEM #1 72042 (264-6) - Toro 264-6 Yard Tractor, 1994 (4900001-4999999)

| Posizione | Articolo numero | Descrizione | |
| 1 | KHSM-0641060 | ||
| 2 | KHM-0629122 | ||
| 8 | KHX-426-9-S | USE 25 237 14-S | |
| 11 | KH2515502-S | CONNECTOR, 90 DEG. HOSE | |
| 14 | KHSM-0645020 | ||
| 15 | KHX-380-1-S | USE 25 326 03-S | |
| 17 | KHM-545010 | Schraube | |


Gestione della qualità
Aiutaci a migliorare il nostro sito. Informaci se trovi un errore.

