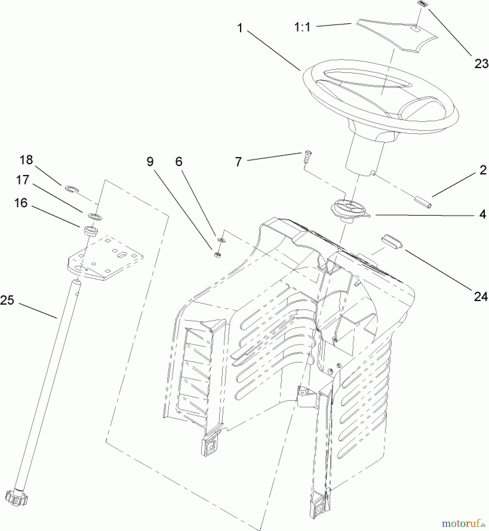
Toro 71252 (XL 380H) - XL 380H Lawn Tractor, 2008 (280000001-280999999) FIXED STEERING ASSEMBLY Ricambi
FIXED STEERING ASSEMBLY 71252 (XL 380H) - Toro XL 380H Lawn Tractor, 2008 (280000001-280999999)

| Posizione | Articolo numero | Descrizione | |
| 1 | TR98-1467 | STEERING WHEEL ASM | |
| 1:1 | TR98-1468 | COVER-WHEEL, STEERING | |
| 2 | TR32121-111 | PIN-ROLL | |
| 4 | TR88-4190 | BUSHING-SLIDING | |
| 6 | TR3256-22 | Scheibe | |
| 7 | ![]() | TR321-4 | Schraube |
| 9 | ![]() | TR3296-42 | Mutter |
| 16 | TR88-5150 | Buechse | |
| 17 | TR3-6498 | Scheibe | |
| 18 | TR32151-48 | E-RING | |
| 23 | TR98-1459 | DECAL | |
| 24 | TR88-4150 | Stopfen | |
| 25 | TR88-6380 | Lenkwelle | |


Gestione della qualità
Aiutaci a migliorare il nostro sito. Informaci se trovi un errore.



