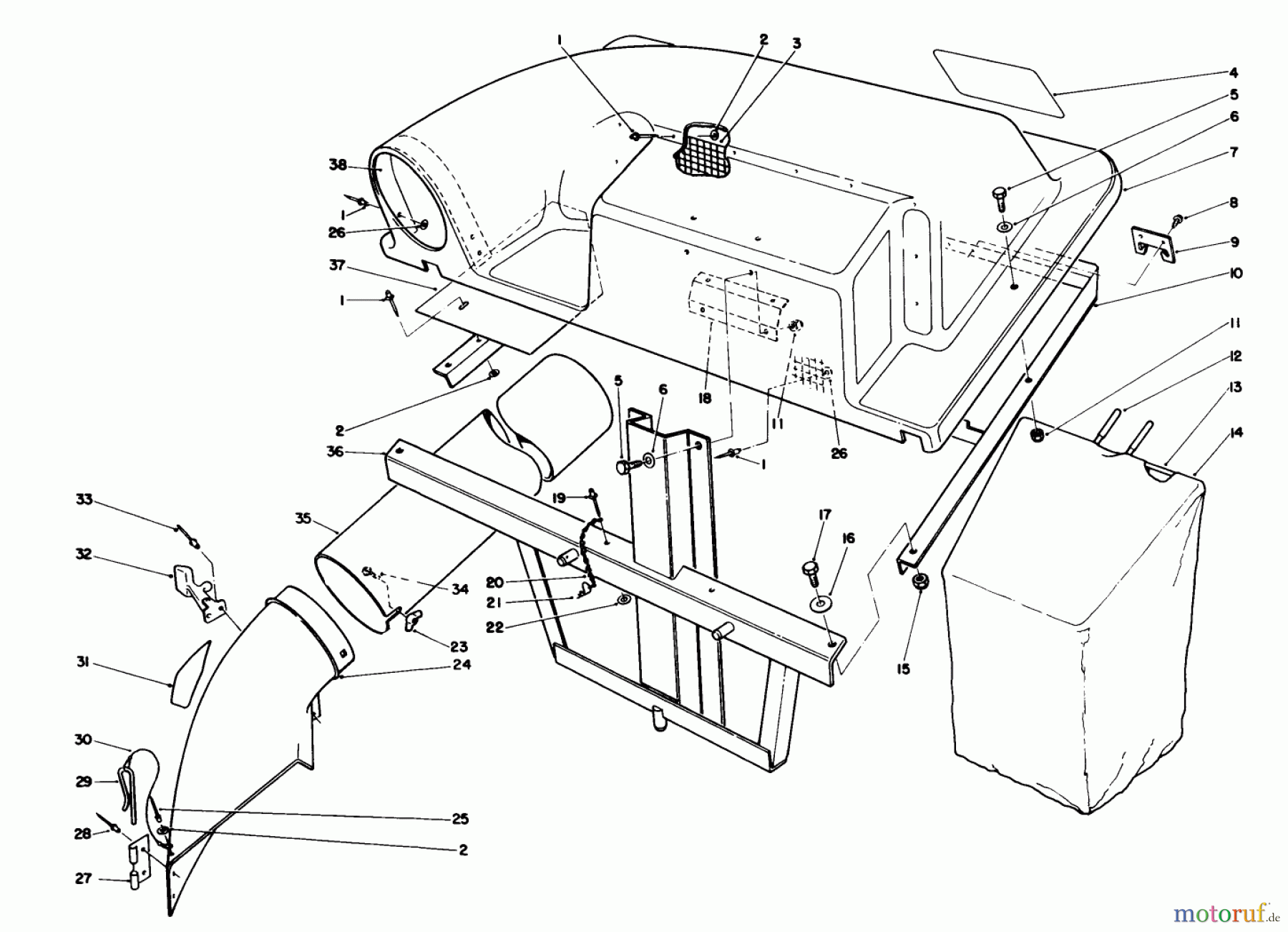
Toro 57410 - 12 hp Electric Start Lawn Tractor, 1988 (8000001-8999999) TWIN BAGGER GRASS CATCHER MODEL NO. 59184 (OPTIONAL) Ricambi
TWIN BAGGER GRASS CATCHER MODEL NO. 59184 (OPTIONAL) 57410 - Toro 12 hp Electric Start Lawn Tractor, 1988 (8000001-8999999)



Gestione della qualità
Aiutaci a migliorare il nostro sito. Informaci se trovi un errore.





