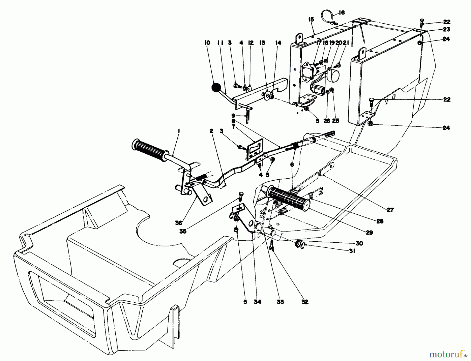
Toro 57385 - 11 hp Front Engine Rider, 1980 (0000001-0999999) BRAKE & CLUTCH PEDAL ASSEMBLY Ricambi
BRAKE & CLUTCH PEDAL ASSEMBLY 57385 - Toro 11 hp Front Engine Rider, 1980 (0000001-0999999)



Gestione della qualità
Aiutaci a migliorare il nostro sito. Informaci se trovi un errore.

