.it
Carrello
vuoto
Il mio account
Registrati
Log in
Benvenuti
Contatti
Spedizione
L’azienda
Guest book
Condizioni e Privacy
Catalogare
Tagliare, profilare
Componenti per motore
Officine meccaniche
Parti e componentistica per macchine varie
Forestali
Articoli elettrici
Articoli invernali
Cinghie trapezoidali e relative pulegge
Filters
PEZZI DI RICAMBIO
Sprocket Rims
Guide Bars
Chainsaw Chains
Search by Part Number
Diagrammi ed elenchi
Servizio
Determine Chain
Ricerca
DE
EN
FR
ES
IT
Versione mobile
Toro 57360 (11-32) - 11-32 Lawn Tractor, 1981 (1000001-1999999) EASY FILL GRASS CATCHER MODEL 59120 #1 Ricambi
Start
Toro Neu
Mowers, Lawn & Garden Tractor
Seite 1
57360 (11-32) - Toro 11-32 Lawn Tractor, 1981 (1000001-1999999)
EASY FILL GRASS CATCHER MODEL 59120 #1
EASY FILL GRASS CATCHER MODEL 59120 #1 57360 (11-32) - Toro 11-32 Lawn Tractor, 1981 (1000001-1999999)
Posizione
Articolo numero
Descrizione
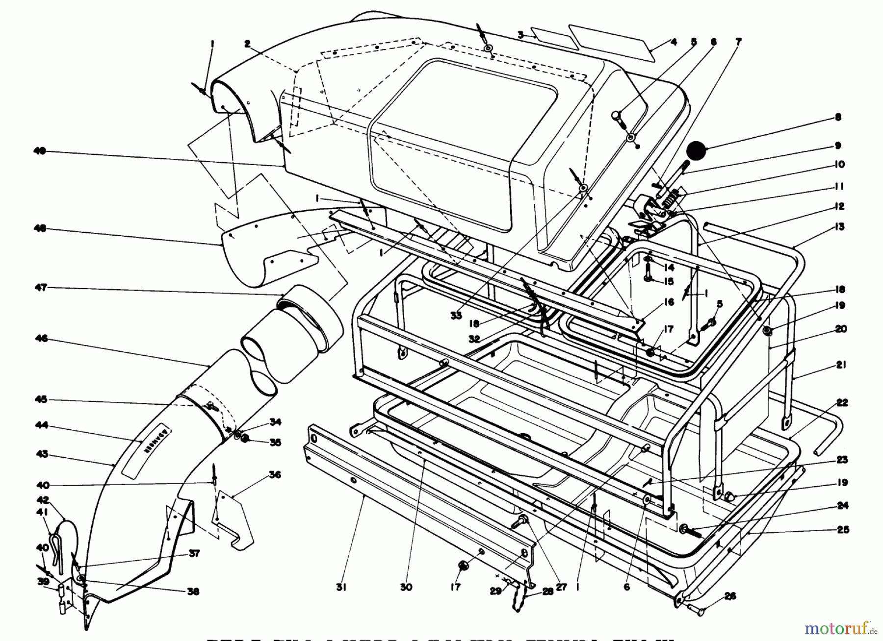
1
TR3290-409
Niete
2
TR36-4230
DISCONTINUED
3
TR36-7860
DISCONTINUED
4
TR36-4570
DISCONTINUED
5
TR322-17
SCREW-HH
6
TR3256-23
Scheibe
7
TR32121-18
Spannstift
8
TR233-48
KNOB
9
TR36-4490
DISCONTINUED
10
TR36-8410
DISCONTINUED
11
TR3256-26
WASHER-FLAT
12
TR36-4500
DISCONTINUED
13
TR36-4600
DISCONTINUED
14
TR3253-3
Federring
15
TR321-7
Schraube
16
TR36-4840
DISCONTINUED
17
TR32152-1
Mutter
18
TR36-7770
Zugschnur
19
TR32111-8
NUT-LOCK, CAP
20
TR36-7870
DISCONTINUED
21
TR36-4580
DISCONTINUED
22
TR36-3370
DISCONTINUED
23
TR3272-10
PIN-COTTER
24
TR3230-3
Schraube
25
TR36-4440
HOPPER SUPT TUBE *B
26
TR283-18
PIN-CLEVIS
27
TR322-5
Schraube
28
TR2830-9
CHAIN W/HOOK
29
TR3290-355
Haarnadelsicherung
30
TR36-8270
DISCONTINUED
31
TR36-4550
DISCONTINUE
32
TR249-27
DISCONTINUED
33
TR3256-14
Scheibe
34
TR3256-22
Scheibe
35
TR32149-2
Mutter
36
TR33-2090
Halter F.Trichter
37
TR3290-282
Niete
38
TR3256-49
Scheibe
39
TR28-8050
Scharnier
40
TR3290-412
RIVET
41
TR28-8130
Stift
42
TR28-8070
Stahlseil
43
TR28-8060
Trichter
44
TR93-1122
DECAL-DANGER
45
TR3229-1
Schraube
46
TR47-7210
Grasfuehrungsrohr
47
TR36-7760
DUCT SEAL
48
TR33-0870
DISCONTINUED
49
TR36-3570
DISCONTINUE
TR33-1060
CLOTH BAG
TR8-1789
DISCONTINUED XREF
Gestione della qualità
Aiutaci a migliorare il nostro sito. Informaci se trovi un errore.