.it
Carrello
vuoto
Il mio account
Registrati
Log in
Benvenuti
Contatti
Spedizione
L’azienda
Guest book
Condizioni e Privacy
Catalogare
Tagliare, profilare
Componenti per motore
Officine meccaniche
Parti e componentistica per macchine varie
Forestali
Articoli elettrici
Articoli invernali
Cinghie trapezoidali e relative pulegge
Filters
PEZZI DI RICAMBIO
Sprocket Rims
Guide Bars
Chainsaw Chains
Search by Part Number
Diagrammi ed elenchi
Servizio
Determine Chain
Ricerca
DE
EN
FR
ES
IT
Versione mobile
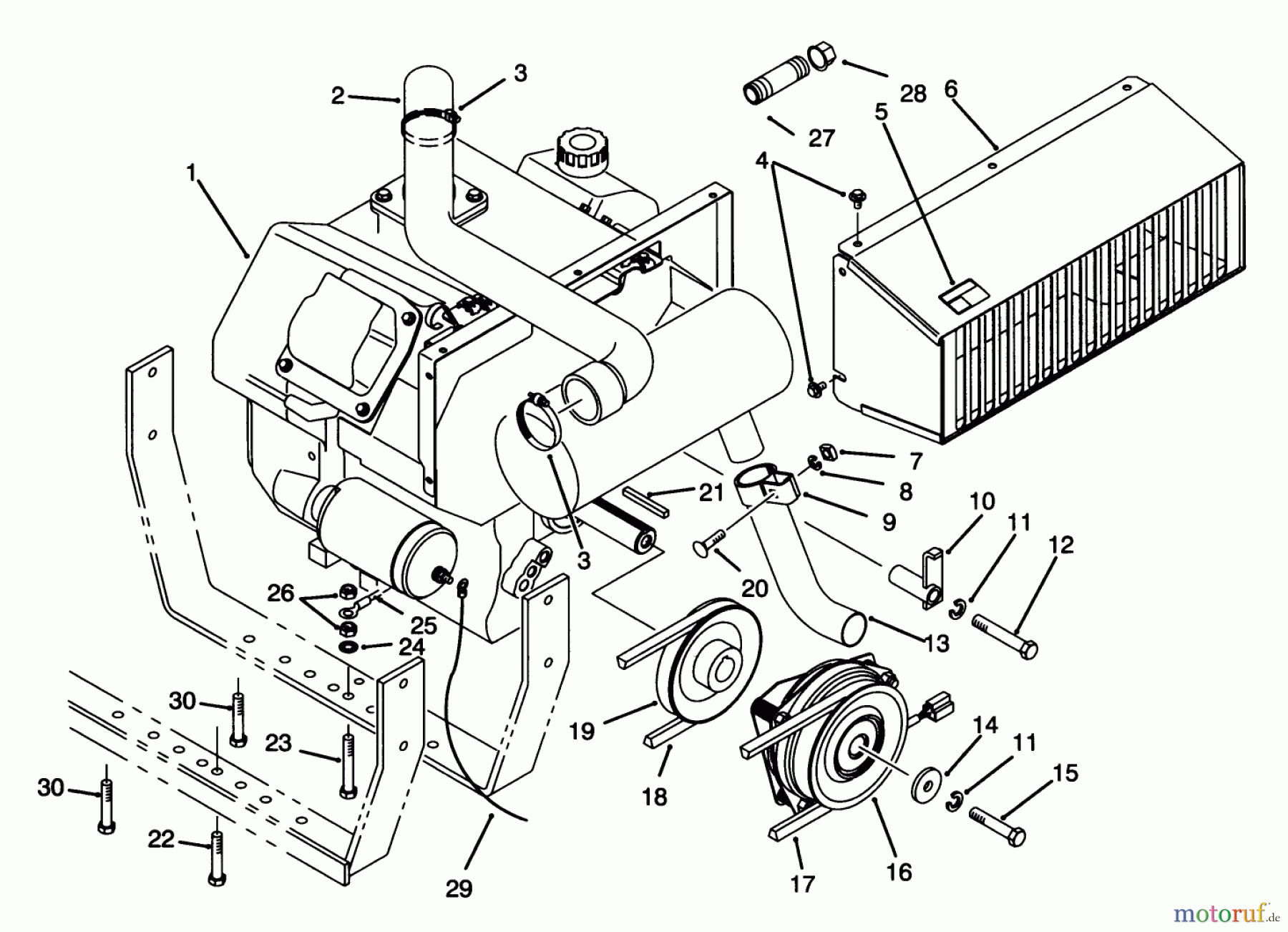
Toro 30610 (120) - Proline 120, 1993 (390001-399999) ENGINE ASSEMBLY Ricambi
Start
Toro Neu
Mowers, Lawn & Garden Tractor
Seite 1
30610 (120) - Toro Proline 120, 1993 (390001-399999)
ENGINE ASSEMBLY
ENGINE ASSEMBLY 30610 (120) - Toro Proline 120, 1993 (390001-399999)
Posizione
Articolo numero
Descrizione
1
TR94-1297
ENGINE - 20HP
2
TR92-6265
Ansaugschlauch
3
TR2412-3
Schlauchschelle
4
TR33113-012
Schraube
5
TR63-8440
DECAL-SURFACE, HOT
6
TR92-6260-03
ENGINE DUCT ASM
7
TR3217-6
NUT-HEX
8
TR3253-4
Federring
9
TR55-8660
Schelle
10
TR54-2160-03
Drehbolzen
11
TR3253-6
Federring
12
TR3241-1
Schraube
13
TR54-2290
Auspuffrohr
14
TR44-8160
WASHER-CLUTCH
15
TR3212-24
SCREW-HH
16
TR54-0220
Bremskupplung
17
TR54-1380
Keilriemen
18
TR54-1390
Keilriemen
19
TR54-2330
Keilriemenscheibe
20
TR3230-3
Schraube
21
TR5-0930
Keil
22
TR323-10
Schraube
23
TR3231-2
Schraube
24
TR3254-6
Federring
25
TR92-6287
MASSEKABEL
26
TR3296-44
Stoppmutter
27
TR289-46
SCHLAUCHKUPPLUNG
28
TR288-10
Kappe
29
TR28-3894
POSITIVE WIRE ASM
30
TR323-9
Schraube
Gestione della qualità
Aiutaci a migliorare il nostro sito. Informaci se trovi un errore.