.it
Benvenuti
Contatti
Spedizione
L’azienda
Guest book
Condizioni e Privacy
Catalogare
Tagliare, profilare
Componenti per motore
Officine meccaniche
Parti e componentistica per macchine varie
Forestali
Articoli elettrici
Articoli invernali
Cinghie trapezoidali e relative pulegge
Filters
PEZZI DI RICAMBIO
Sprocket Rims
Guide Bars
Chainsaw Chains
Search by Part Number
Diagrammi ed elenchi
Servizio
Determine Chain
Ricerca
Il mio account
Registrati
Log in
Settings
DE
EN
FR
ES
IT
Desktop
Toro 22-14OE01 (244-H) - 244-H Yard Tractor, 1991 (1000001-1999999) 14HP ENGINE STARTER ASSEMBLY Ricambi
Start
Toro Neu
Mowers, Lawn & Garden Tractor
Seite 1
22-14OE01 (244-H) - Toro 244-H Yard Tractor, 1991 (1000001-1999999)
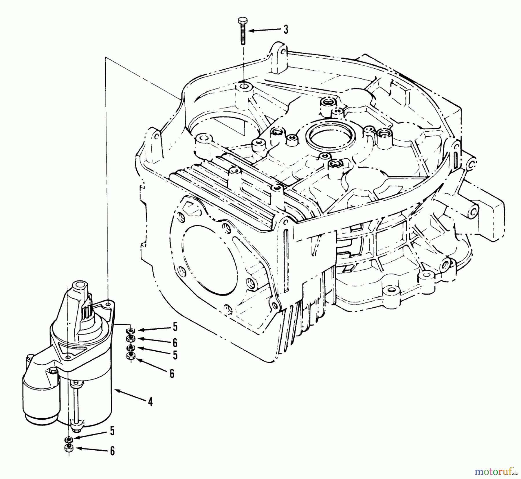
14HP ENGINE STARTER ASSEMBLY
14HP ENGINE STARTER ASSEMBLY 22-14OE01 (244-H) - Toro 244-H Yard Tractor, 1991 (1000001-1999999)
Posizione
Articolo numero
Descrizione
3
TR92-5850
SCHRAUBE
4
TRNN10739
STARTER
5
TRNN10740
Scheibe 853-0016
6
TR92-5935
HEX NUT
Gestione della qualità
Aiutaci a migliorare il nostro sito. Informaci se trovi un errore.