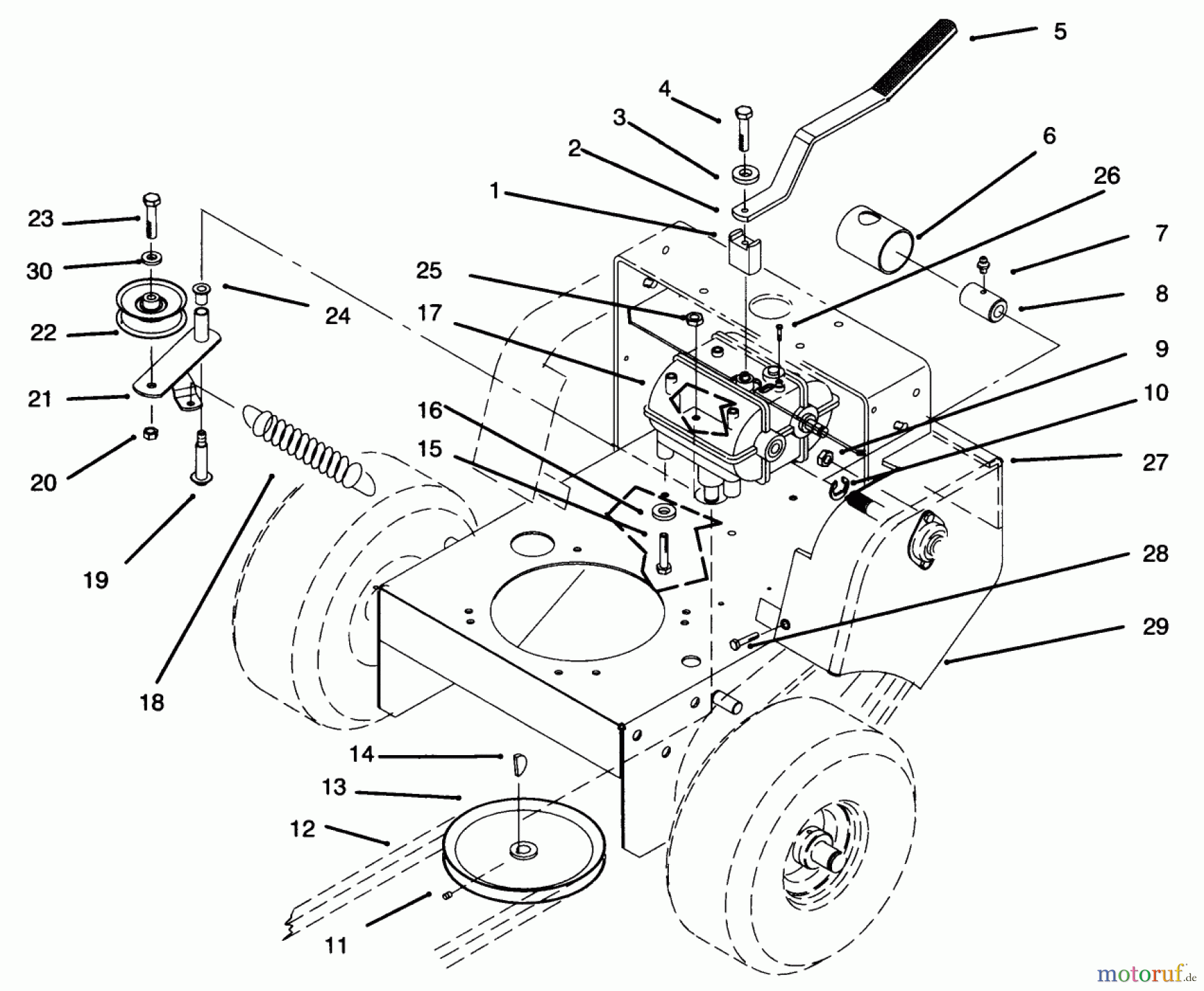
Toro 30165 - Mid-Size Proline Gear Traction Unit, 12.5 hp, 1995 (5900001-5999999) TRANSMISSION, IDLER, DRIVE PULLEYS & DRIVE BELT Ricambi
TRANSMISSION, IDLER, DRIVE PULLEYS & DRIVE BELT 30165 - Toro Mid-Size Proline Gear Traction Unit, 12.5 hp, 1995 (5900001-5999999)









