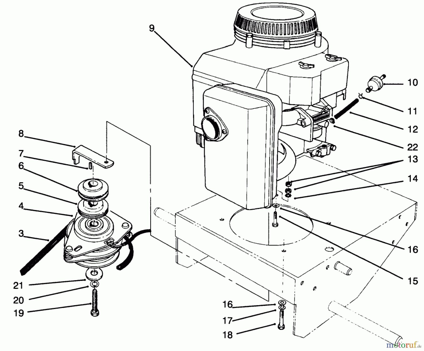
Toro 30165 - Mid-Size Proline Gear Traction Unit, 12.5 hp, 1994 (4900001-4999999) ENGINE & CLUTCH ASSEMBLY Ricambi
ENGINE & CLUTCH ASSEMBLY 30165 - Toro Mid-Size Proline Gear Traction Unit, 12.5 hp, 1994 (4900001-4999999)



Gestione della qualità
Aiutaci a migliorare il nostro sito. Informaci se trovi un errore.

