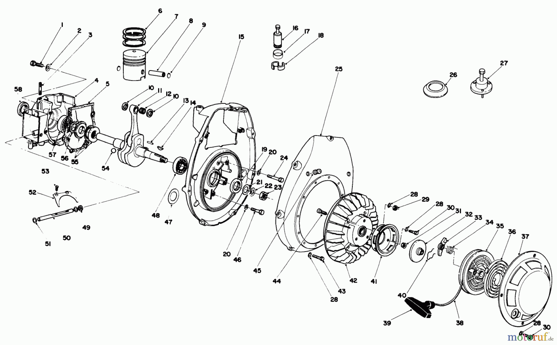
Toro 30113 - Mid-Size Proline Gear Traction Unit, 8 hp, 1986 (6000001-6999999) CRANKCASE & FLYWHEEL ASSEMBLY Ricambi
CRANKCASE & FLYWHEEL ASSEMBLY 30113 - Toro Mid-Size Proline Gear Traction Unit, 8 hp, 1986 (6000001-6999999)



Gestione della qualità
Aiutaci a migliorare il nostro sito. Informaci se trovi un errore.

