Toro 30112 - Mid-Size Proline Gear Traction Unit, 12.5 hp, 1989 (9000001-9999999) AXLE ASSEMBLY Ricambi
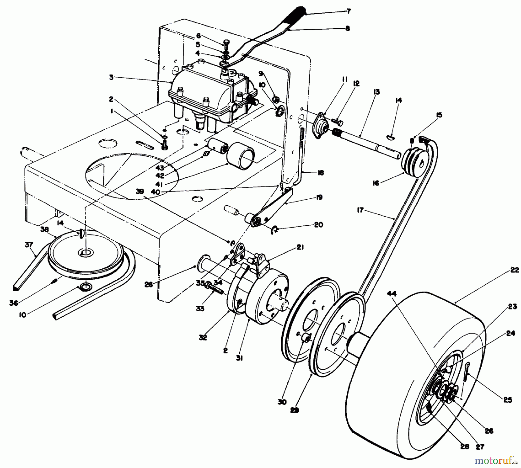
AXLE ASSEMBLY 30112 - Toro Mid-Size Proline Gear Traction Unit, 12.5 hp, 1989 (9000001-9999999)



Gestione della qualità
Aiutaci a migliorare il nostro sito. Informaci se trovi un errore.




