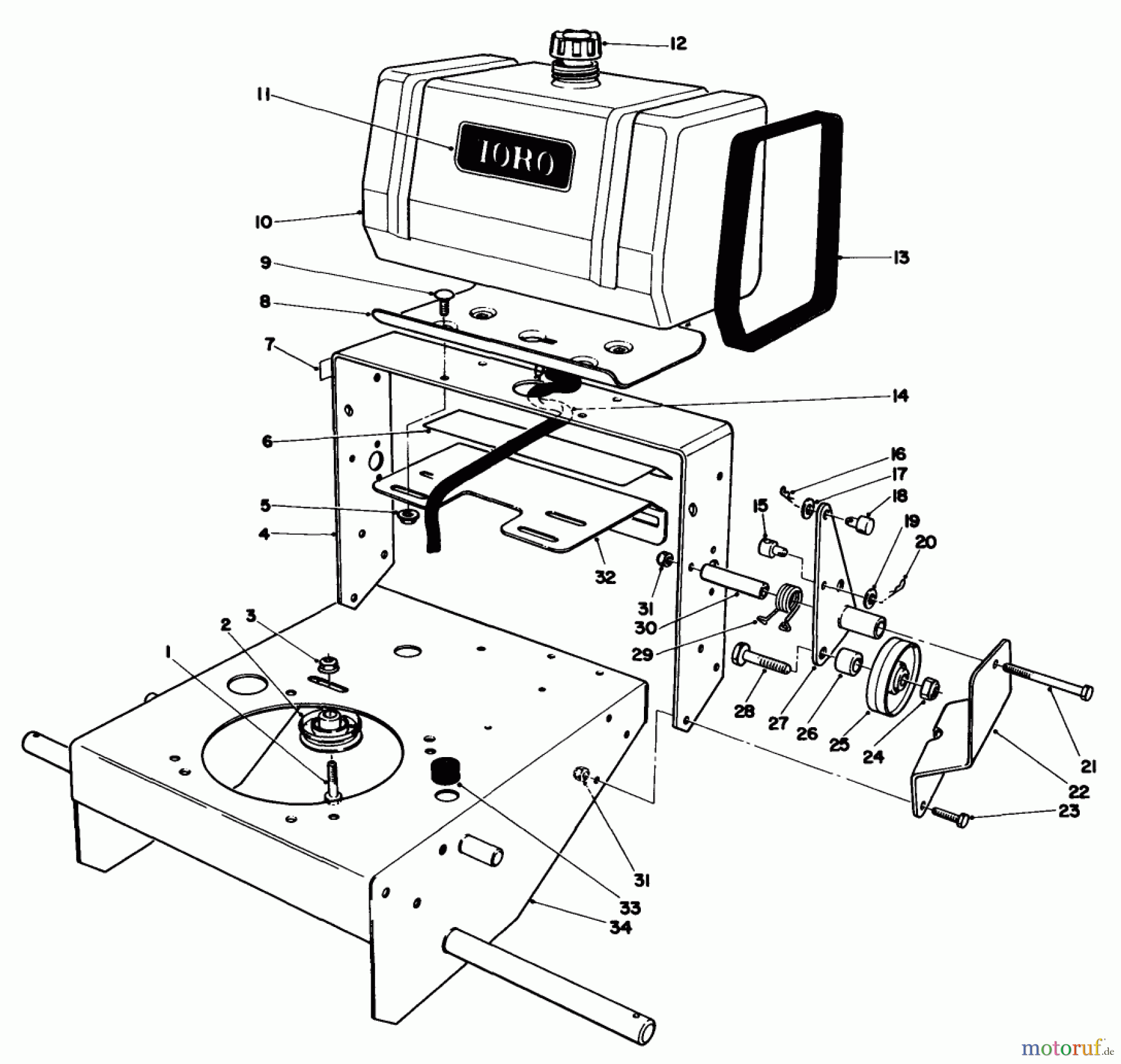
Toro 30111 - Mid-Size Proline Gear Traction Unit, 11 hp, 1986 (6000001-6999999) FRAME ASSEMBLY Ricambi
FRAME ASSEMBLY 30111 - Toro Mid-Size Proline Gear Traction Unit, 11 hp, 1986 (6000001-6999999)



Gestione della qualità
Aiutaci a migliorare il nostro sito. Informaci se trovi un errore.

