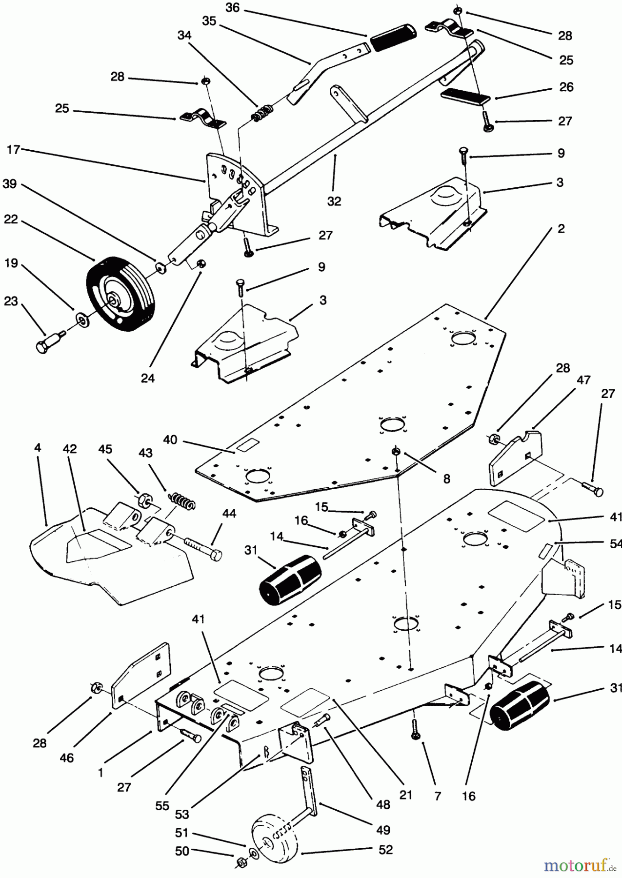
Toro 78390 - 60" Side Discharge Mower, 1994 (4900001-4999999) DECK ASSEMBLY Ricambi
DECK ASSEMBLY 78390 - Toro 60" Side Discharge Mower, 1994 (4900001-4999999)



Gestione della qualità
Aiutaci a migliorare il nostro sito. Informaci se trovi un errore.





