.it
Carrello
vuoto
Il mio account
Registrati
Log in
Benvenuti
Contatti
Spedizione
L’azienda
Guest book
Condizioni e Privacy
Catalogare
Tagliare, profilare
Componenti per motore
Officine meccaniche
Parti e componentistica per macchine varie
Forestali
Articoli elettrici
Articoli invernali
Cinghie trapezoidali e relative pulegge
Filters
PEZZI DI RICAMBIO
Sprocket Rims
Guide Bars
Chainsaw Chains
Search by Part Number
Diagrammi ed elenchi
Servizio
Determine Chain
Ricerca
DE
EN
FR
ES
IT
Versione mobile
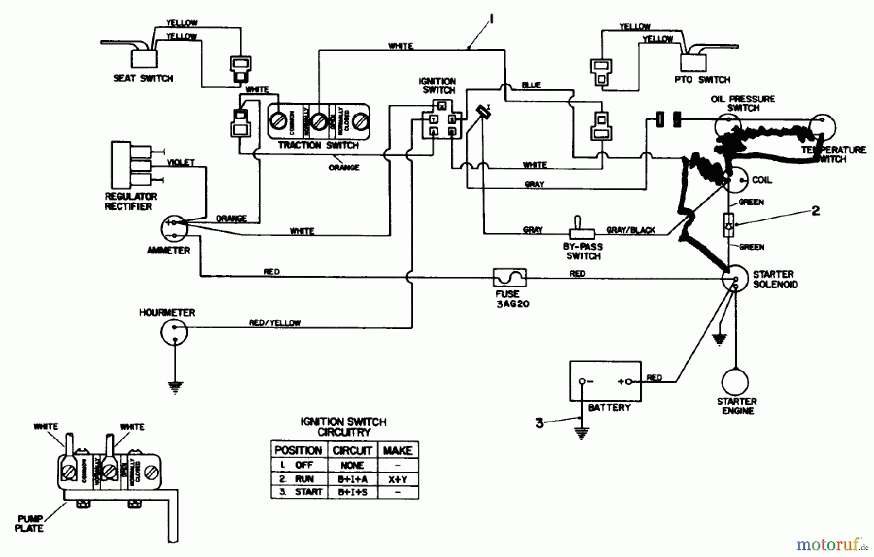
Toro 30555 (200) - 52" Side Discharge Mower, Groundsmaster 200 Series, 1983 (SN 30001-39999) ELECTRICAL SCHEMATIC Ricambi
Start
Toro Neu
Mowers, Deck Assembly Only
30555 (200) - Toro 52" Side Discharge Mower, Groundsmaster 200 Series,
ELECTRICAL SCHEMATIC
ELECTRICAL SCHEMATIC 30555 (200) - Toro 52" Side Discharge Mower, Groundsmaster 200 Series, 1983 (SN 30001-39999)
Posizione
Articolo numero
Descrizione
1
TR44-9430
DISCONTINUED
2
TR44-9930
Kabel
3
TR27-5090
Kabel
Gestione della qualità
Aiutaci a migliorare il nostro sito. Informaci se trovi un errore.