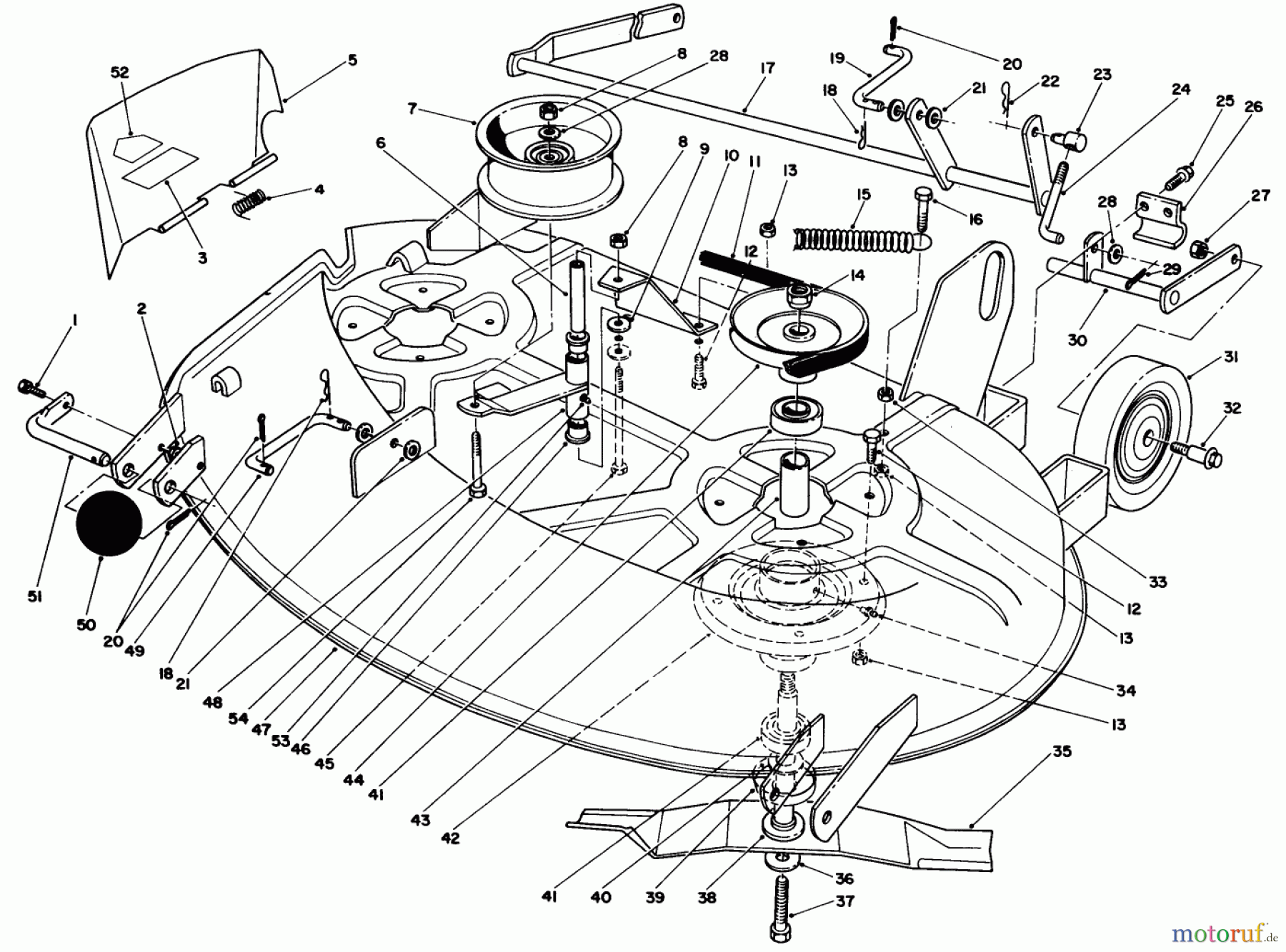
Toro 05-38SS01 - 38" Side Discharge Mower, 1991 (1000001-1999999) CUTTING UNIT ASSEMBLY Ricambi
CUTTING UNIT ASSEMBLY 05-38SS01 - Toro 38" Side Discharge Mower, 1991 (1000001-1999999)



Gestione della qualità
Aiutaci a migliorare il nostro sito. Informaci se trovi un errore.








