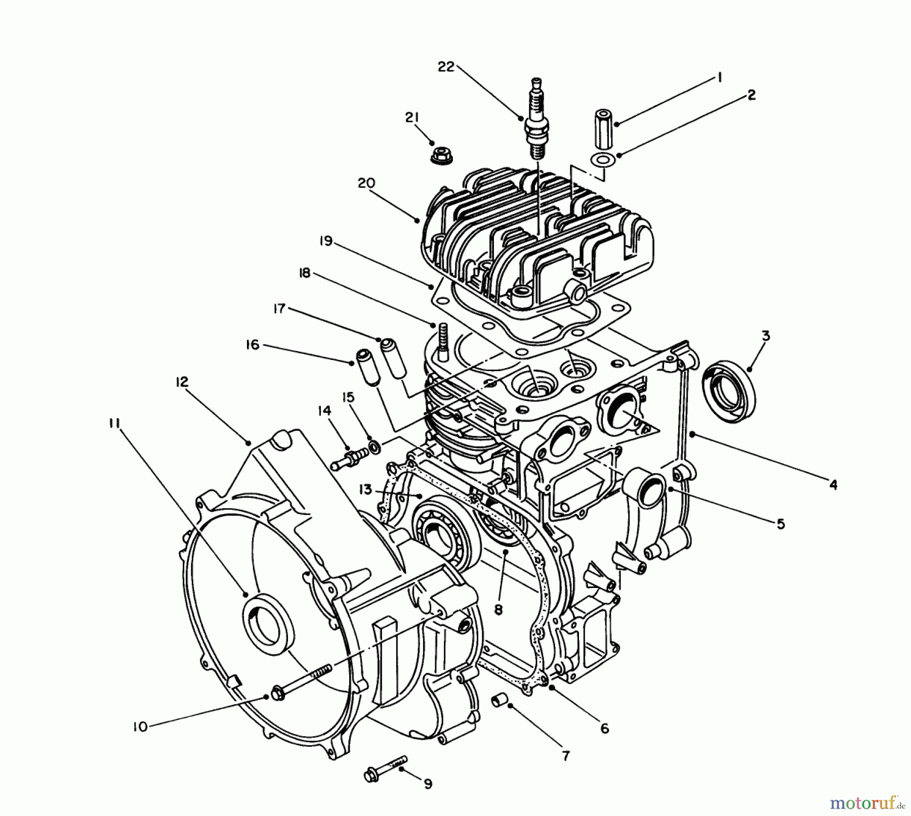
Toro 62040 (T4000D) - Generator, T4000D, 1988 (8000001-8999999) ENGINE ASSEMBLY Ricambi
ENGINE ASSEMBLY 62040 (T4000D) - Toro Generator, T4000D, 1988 (8000001-8999999)



Gestione della qualità
Aiutaci a migliorare il nostro sito. Informaci se trovi un errore.

