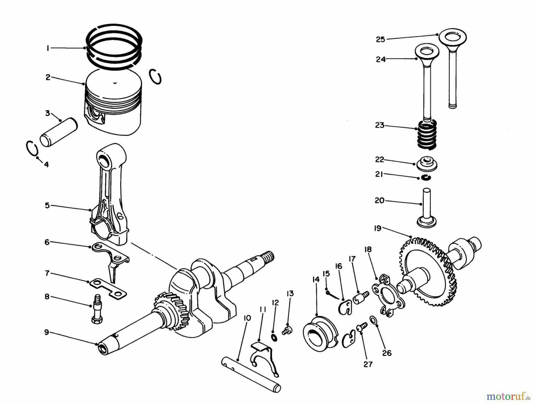
Toro 62008 (T800) - Generator, T800, 1985 (5000001-5999999) CRANK SHAFT & CAM SHAFT Ricambi
CRANK SHAFT & CAM SHAFT 62008 (T800) - Toro Generator, T800, 1985 (5000001-5999999)



Gestione della qualità
Aiutaci a migliorare il nostro sito. Informaci se trovi un errore.

