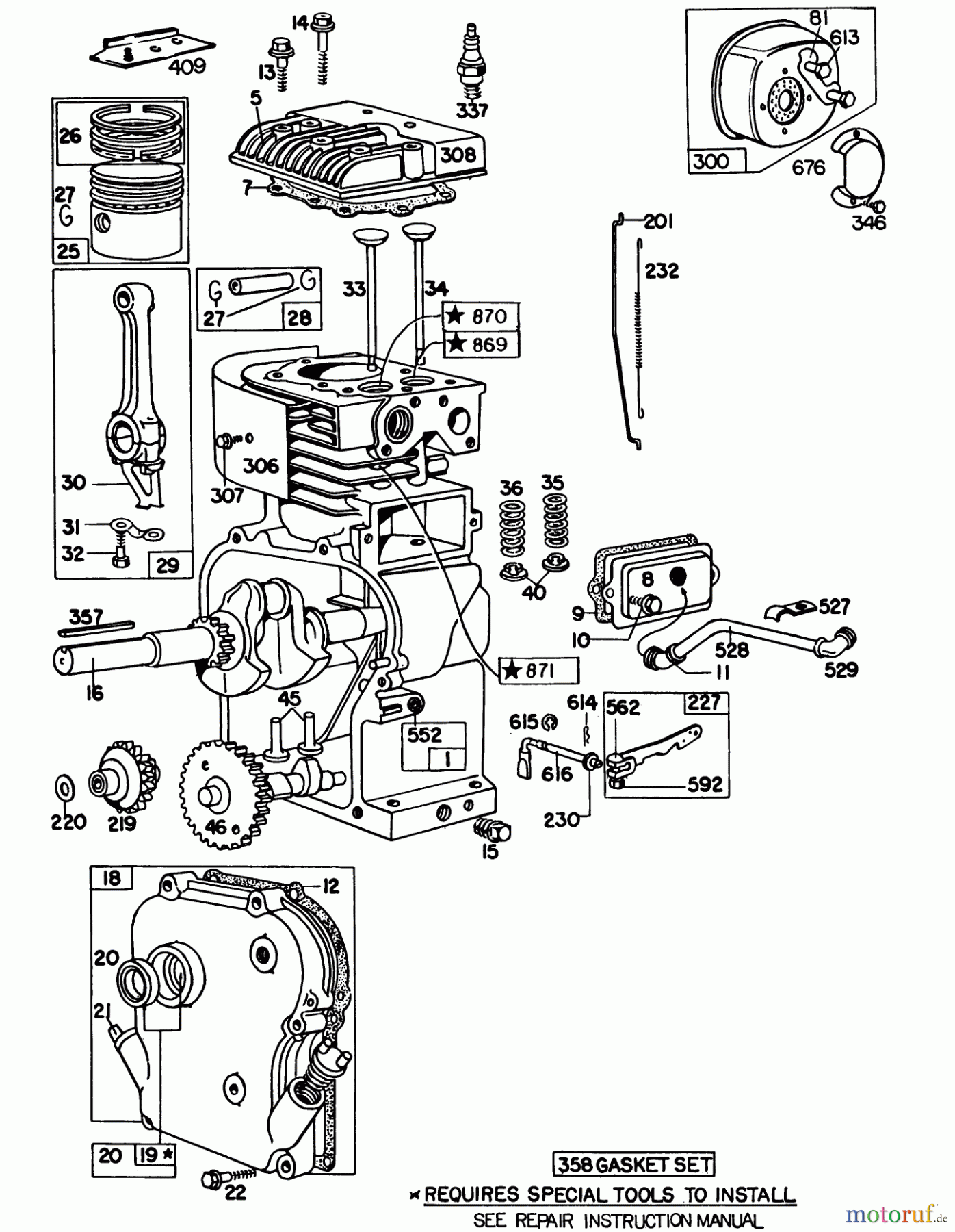
Toro 62933 - 5 hp Lawn Blower, 1980 (0000001-0999999) ENGINE MODEL NO. 130202 TYPE 0600-01 BRIGGS & STRATTON Ricambi
ENGINE MODEL NO. 130202 TYPE 0600-01 BRIGGS & STRATTON 62933 - Toro 5 hp Lawn Blower, 1980 (0000001-0999999)



Gestione della qualità
Aiutaci a migliorare il nostro sito. Informaci se trovi un errore.



