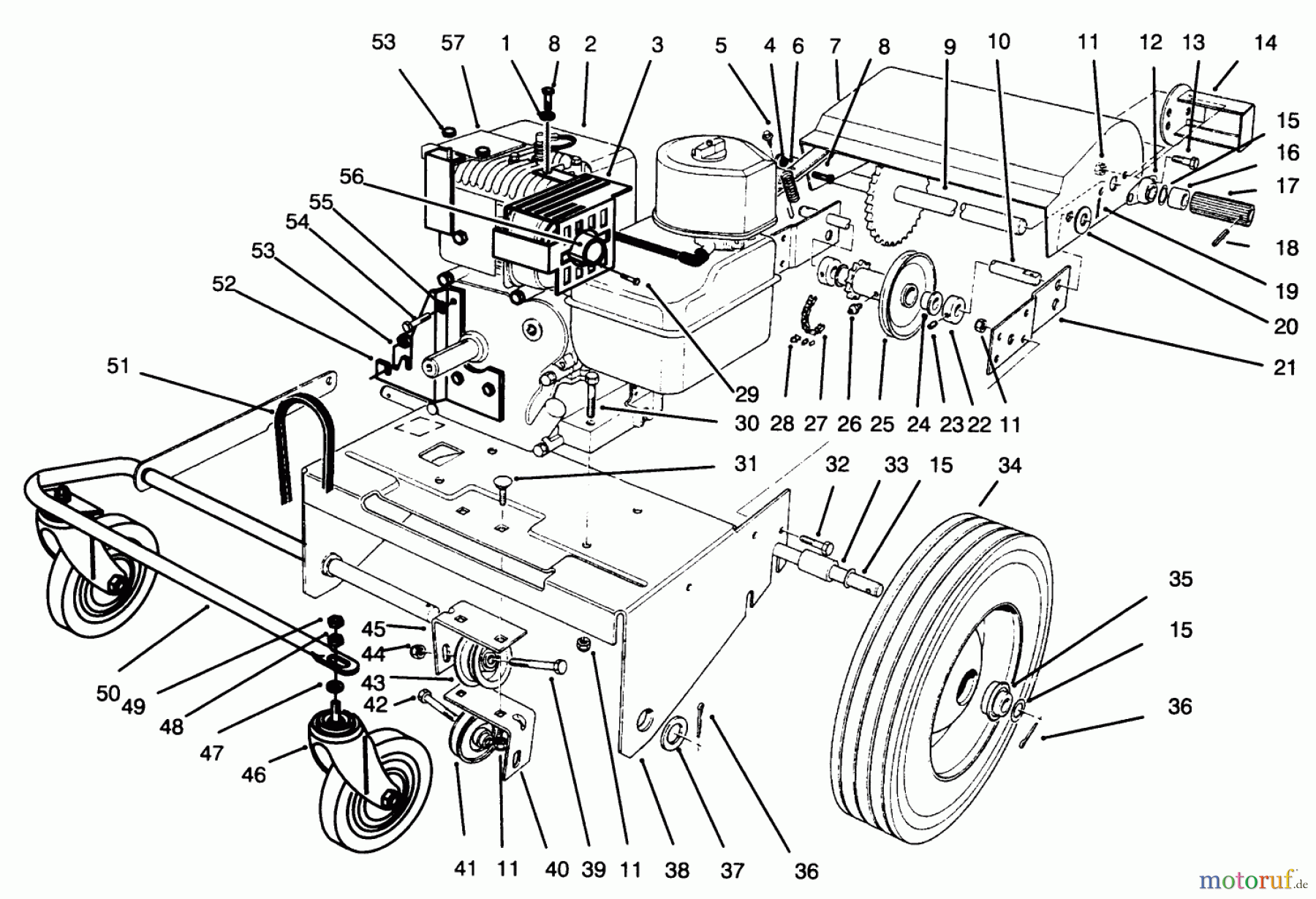
Toro 62924 - 5 hp Lawn Vacuum, 1995 (5900001-5999999) ENGINE & BASE ASSEMBLY Ricambi
ENGINE & BASE ASSEMBLY 62924 - Toro 5 hp Lawn Vacuum, 1995 (5900001-5999999)



Gestione della qualità
Aiutaci a migliorare il nostro sito. Informaci se trovi un errore.





