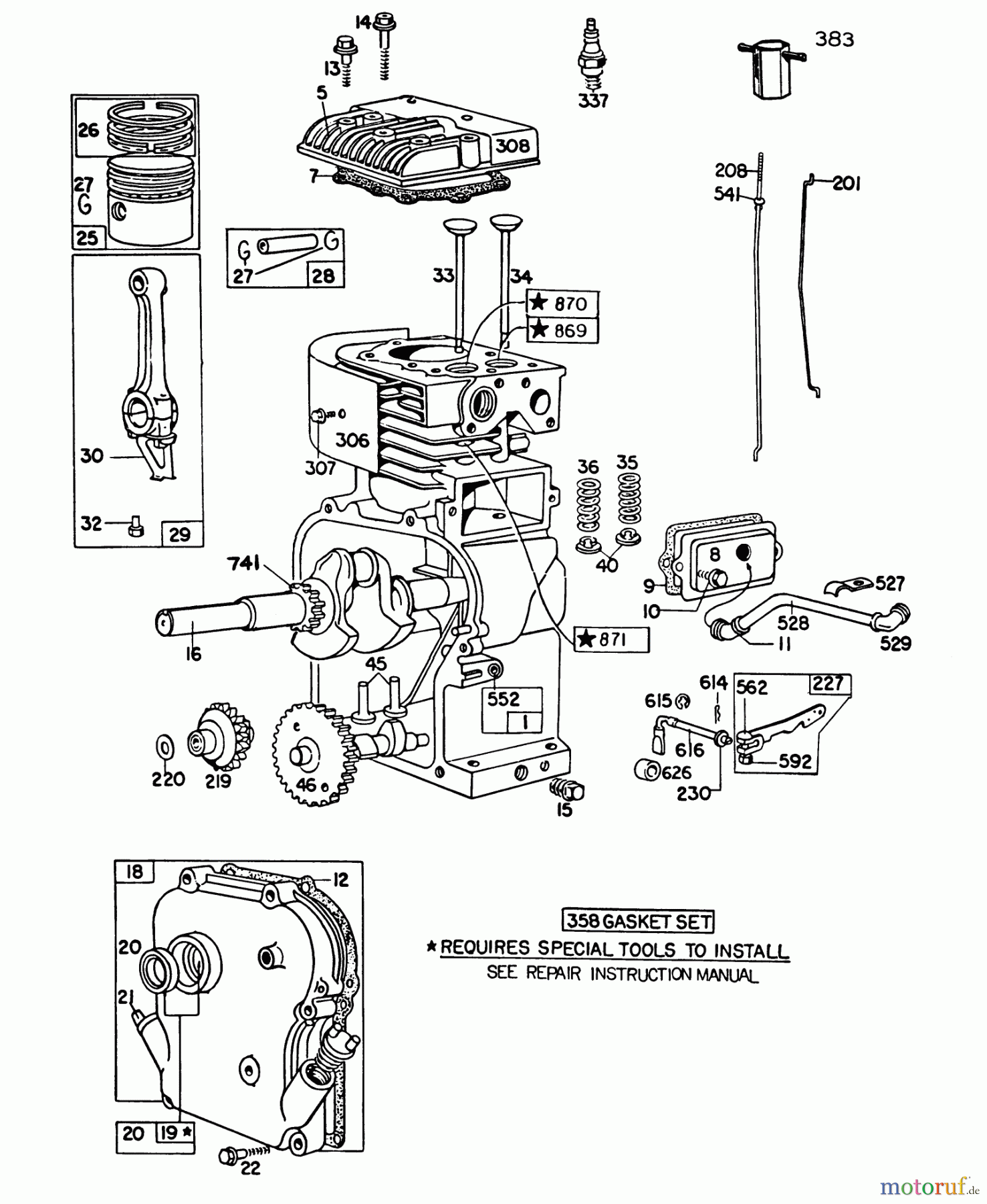
Toro 62912 - 5 hp Lawn Vacuum, 1986 (6000001-6999999) ENGINE BRIGGS & STRATTON MODEL NO. 130202-1640-01 #1 Ricambi
ENGINE BRIGGS & STRATTON MODEL NO. 130202-1640-01 #1 62912 - Toro 5 hp Lawn Vacuum, 1986 (6000001-6999999)



Gestione della qualità
Aiutaci a migliorare il nostro sito. Informaci se trovi un errore.



