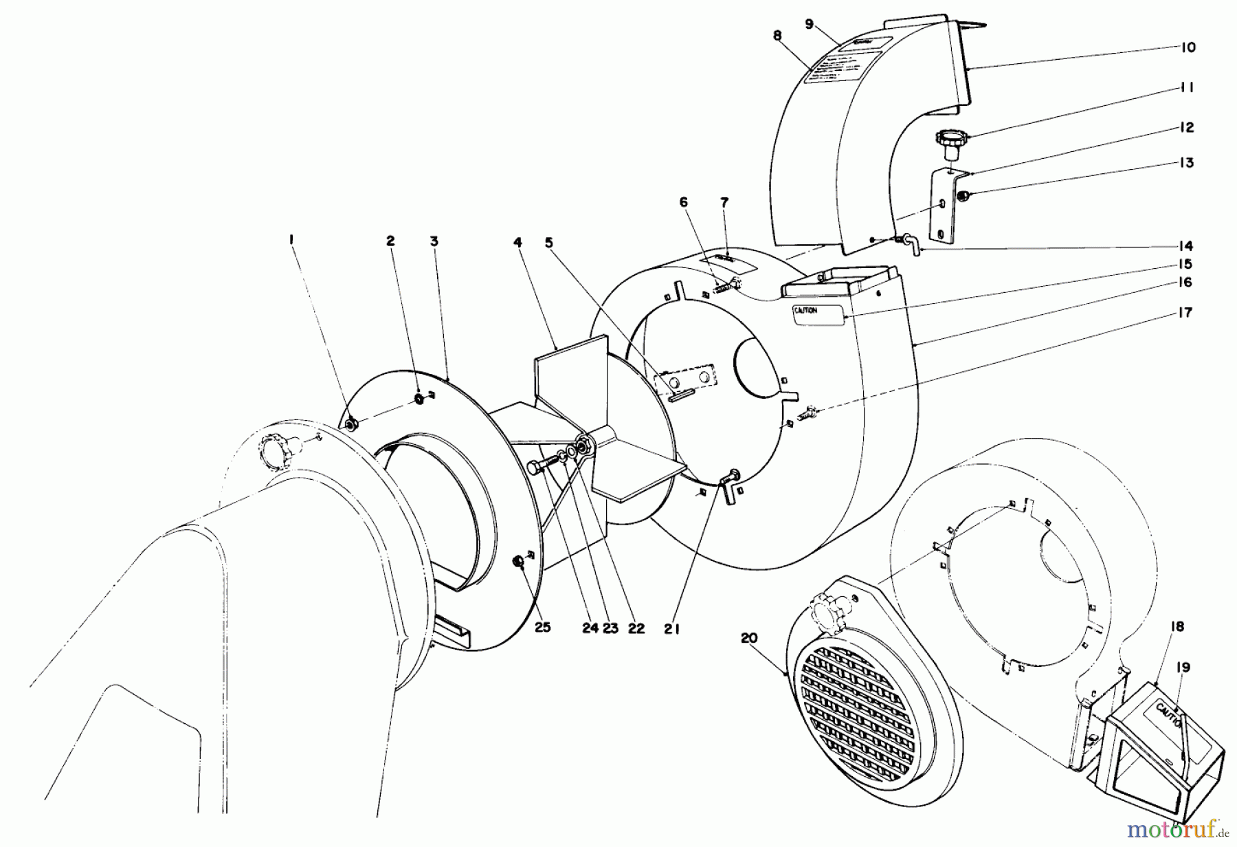
Toro 62912 - 5 hp Lawn Vacuum, 1975 (5000001-5999999) BLOWER ASSEMBLY (MODELS 62912 & 62923) Ricambi
BLOWER ASSEMBLY (MODELS 62912 & 62923) 62912 - Toro 5 hp Lawn Vacuum, 1975 (5000001-5999999)



Gestione della qualità
Aiutaci a migliorare il nostro sito. Informaci se trovi un errore.

