.it
Carrello
vuoto
Il mio account
Registrati
Log in
Benvenuti
Contatti
Spedizione
L’azienda
Guest book
Condizioni e Privacy
Catalogare
Tagliare, profilare
Componenti per motore
Officine meccaniche
Parti e componentistica per macchine varie
Forestali
Articoli elettrici
Articoli invernali
Cinghie trapezoidali e relative pulegge
Filters
PEZZI DI RICAMBIO
Sprocket Rims
Guide Bars
Chainsaw Chains
Search by Part Number
Diagrammi ed elenchi
Servizio
Determine Chain
Ricerca
DE
EN
FR
ES
IT
Versione mobile
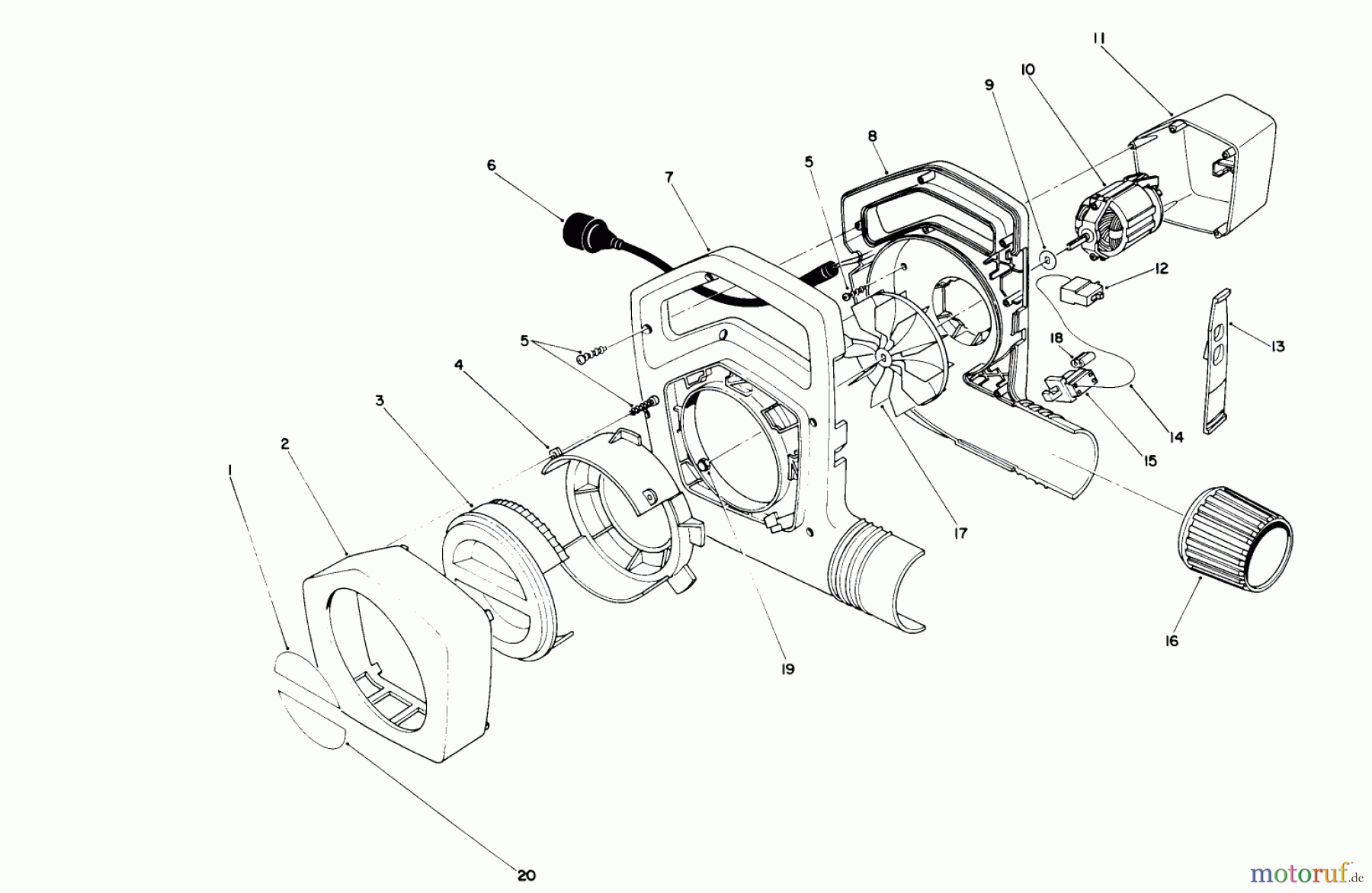
Toro 51570 - Yard Blower Vac, 1989 (9000001-9999999) BLOWER ASSEMBLY Ricambi
Start
Toro Neu
Blowers/Vacuums/Chippers/Shredders
51570 - Toro Yard Blower Vac, 1989 (9000001-9999999)
BLOWER ASSEMBLY
BLOWER ASSEMBLY 51570 - Toro Yard Blower Vac, 1989 (9000001-9999999)
Posizione
Articolo numero
Descrizione
1
TR64-8930
DISCONTINUED
2
TR57-1051
DISCONTINUED
3
TR57-1021
DISCONTINUED
4
TR57-1040
DISCONTINUED
5
TR94-4496
SCREW-PPH
6
TR42-0778
DISCONTINUED
7
TR60-9611
DISCONTINUED
8
TR61-8432
BLOWER HOUSING, LH
9
TR93-0585
Scheibe
10
TR99-5394
BLOWER MOTOR ASSEMBLY
10
TR57-5961
MOTOR, BLOWER (450/550)
11
TR57-1074
MOTOR COVER,850 HOTSTAM
11
TR57-1071
DISCONTINUED
12
TR73-5780
DISCONTINUED
13
TR57-5940
57-5942
14
TR57-4280
DISCONTINUED
15
TR57-5910
SWITCH-INTERLOCK
16
TR57-3261
DISCONTINUED
17
TR57-3861
Geblaeserad
18
TR64-8990
DISCONTINUED
19
TR32111-8
NUT-LOCK, CAP
20
TR64-8940
DISCONTINUED
Gestione della qualità
Aiutaci a migliorare il nostro sito. Informaci se trovi un errore.