.it
Benvenuti
Contatti
Spedizione
L’azienda
Guest book
Condizioni e Privacy
Catalogare
Tagliare, profilare
Componenti per motore
Officine meccaniche
Parti e componentistica per macchine varie
Forestali
Articoli elettrici
Articoli invernali
Cinghie trapezoidali e relative pulegge
Filters
PEZZI DI RICAMBIO
Sprocket Rims
Guide Bars
Chainsaw Chains
Search by Part Number
Diagrammi ed elenchi
Servizio
Determine Chain
Ricerca
Il mio account
Registrati
Log in
Settings
DE
EN
FR
ES
IT
Desktop
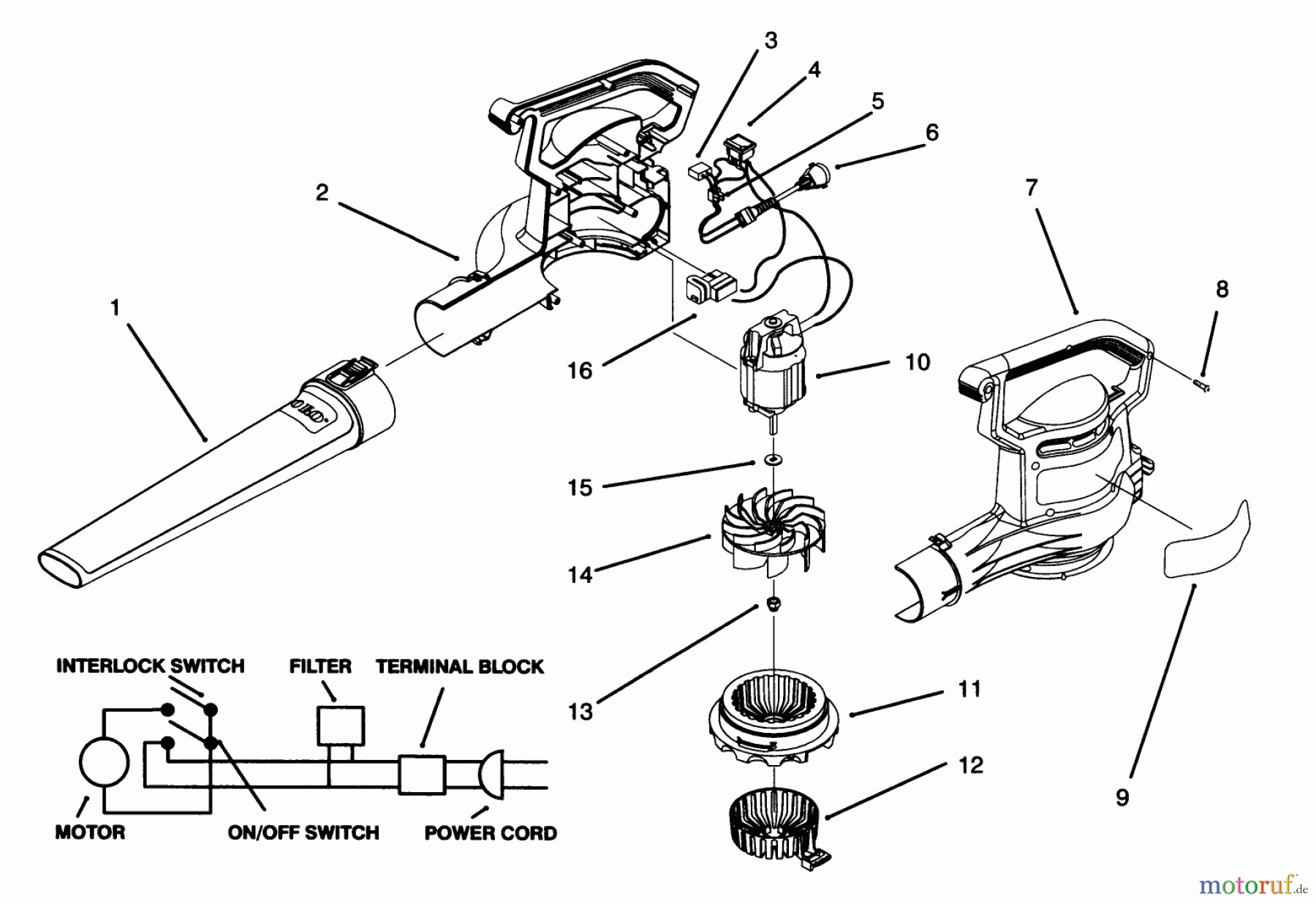
Toro 51557 - Super Blower Vac, 1995 (59000001-59999999) BLOWER ASSEMBLY Ricambi
Start
Toro Neu
Blowers/Vacuums/Chippers/Shredders
51557 - Toro Super Blower Vac, 1995 (59000001-59999999)
BLOWER ASSEMBLY
BLOWER ASSEMBLY 51557 - Toro Super Blower Vac, 1995 (59000001-59999999)
Posizione
Articolo numero
Descrizione
1
TR93-0571
Blasrohr
3
TR93-8745
Ein/ausschalter Mit Kabel
4
TR93-7646
Ein-Aus-Schalter
5
TR93-8459
Kondensator
6
TR93-0556
Kabel
7
TR93-8719
Gehaeusehaelfte
8
TR94-4496
SCREW-PPH
9
TR93-0579
Klebeschild Toro
10
TR93-8733
MOTOR, 230V SUPER BLOWER
11
TR93-0559
Luftleitgehaeuse
12
TR93-0569
COVER - INLET, W/HOLE
13
TR93-9993
Mutter
14
TR93-0564
IMPELLER, BLOWER
15
TR93-0585
Scheibe
16
TR93-0598
DISCONTINUED
Gestione della qualità
Aiutaci a migliorare il nostro sito. Informaci se trovi un errore.