.it
Carrello
vuoto
Il mio account
Registrati
Log in
Benvenuti
Contatti
Spedizione
L’azienda
Guest book
Condizioni e Privacy
Catalogare
Tagliare, profilare
Componenti per motore
Officine meccaniche
Parti e componentistica per macchine varie
Forestali
Articoli elettrici
Articoli invernali
Cinghie trapezoidali e relative pulegge
Filters
PEZZI DI RICAMBIO
Sprocket Rims
Guide Bars
Chainsaw Chains
Search by Part Number
Diagrammi ed elenchi
Servizio
Determine Chain
Ricerca
DE
EN
FR
ES
IT
Versione mobile
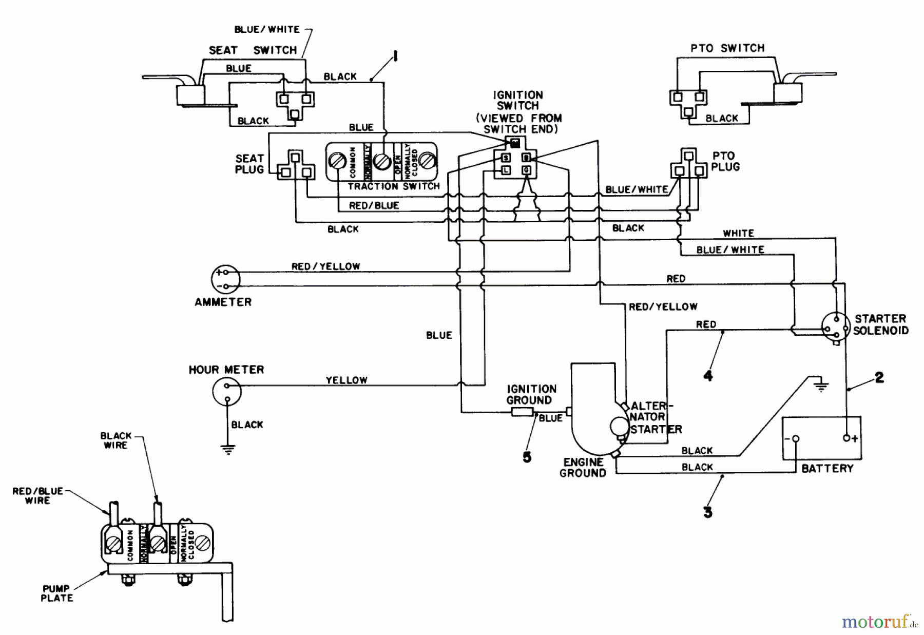
Rasen- und Garten Traktoren ELECTRICAL SCHEMATIC Ricambi
Start
Rasen- und Garten Traktoren
30775 - Toro Groundsmaster 52 (SN: 100001 - 199999) (1981)
ELECTRICAL SCHEMATIC
ELECTRICAL SCHEMATIC 30775 - Toro Groundsmaster 52 (SN: 100001 - 199999) (1981)
Posizione
Articolo numero
Descrizione
1
TR41-8890
Kabelbaum
2
TR39-8860
Kabel
3
TR27-5090
Kabel
4
TR27-5110
Kabel
5
TR27-9590
KABEL
Gestione della qualità
Aiutaci a migliorare il nostro sito. Informaci se trovi un errore.