.it
Benvenuti
Contatti
Spedizione
L’azienda
Guest book
Condizioni e Privacy
Catalogare
Tagliare, profilare
Componenti per motore
Officine meccaniche
Parti e componentistica per macchine varie
Forestali
Articoli elettrici
Articoli invernali
Cinghie trapezoidali e relative pulegge
Filters
PEZZI DI RICAMBIO
Sprocket Rims
Guide Bars
Chainsaw Chains
Search by Part Number
Diagrammi ed elenchi
Servizio
Determine Chain
Ricerca
Il mio account
Registrati
Log in
Settings
DE
EN
FR
ES
IT
Desktop
Rasen- und Garten Traktoren DIFFERENTIAL ASSEMBLY Ricambi
Start
Rasen- und Garten Traktoren
30775 - Toro Groundsmaster 52 (SN: 100001 - 199999) (1981)
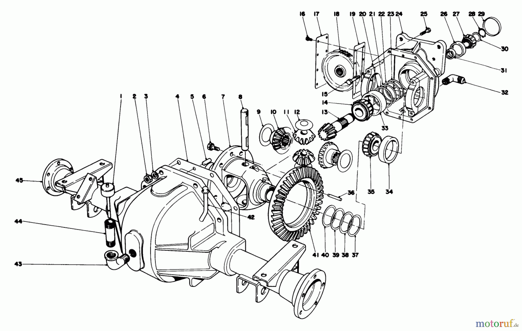
DIFFERENTIAL ASSEMBLY
DIFFERENTIAL ASSEMBLY 30775 - Toro Groundsmaster 52 (SN: 100001 - 199999) (1981)
Posizione
Articolo numero
Descrizione
1
TR27-3710
DIPSTICK
2
TR3219-2
Mutter
3
TR3255-8
Federring
4
TR21-8280
Dichtung
5
TR21-8270
PIN-DOWEL
6
TR21-7770
Schraube
7
TR21-7670
CASE-DIFFERENTIAL
8
TR21-7700
SHAFT-MATE, PINION
9
TR21-7720
Scheibe
10
TR110-4143
KIT-REPLACEMENT, REVACYCLE GEA
11
TR21-7690
110-4143
12
TR21-7730
Scheibe
13
TR
14
TR21-8080
Lager
15
TR92-1773
SCREW-HHF
16
TR12-5450
Schraube
17
TR21-7830
Deckel
18
TR86-7230
Zahnrad
19
TR21-7820
Dichtung
20
TR21-8030
Scheibe
21
TR21-8040
Scheibe
22
TR21-8050
BRG SHIM .010
23
TR21-8060
24
TR27-6840
DIFFERENTIALDECKEL
25
TR99-5691
SCREW W/WASHER
26
TR254-90
Lagerring
27
TR21-8010
BRG CONE
28
TR32151-83
Seegerring
29
TR21-7850
Schutzkappe
30
TR21-7870
SCHEIBE
TR21-7880
Scheibe
TR21-7890
SCHEIBE
TR21-7900
TR21-7910
SCHEIBE
TR21-7920
SCHEIBE
TR21-7930
SCHEIBE
TR21-7940
SCHEIBE
TR217950
DISCONTINUED
TR217960
66708 GRASS CATCHER
TR21-7970
SCHEIBE
TR21-7980
SCHEIBE
TR21-7990
SCHEIBE
TR21-8000
DICHTUNG
31
TR21-8020
SPACER-BEARING
32
TR353-533
90 DEG FITTING
33
TR21-8070
Lagerring
34
TR254-66
Lagerring
35
TR254-65
Rollenkegellager
36
TR32121-15
PIN-ROLL
37
TR21-8090
SHIM-BEARING, DIFFERENTIAL (.0
38
TR21-8100
SHIM-BEARING, DIFFERENTIAL (.0
39
TR21-8110
SHIM-BEARING, DIFFERENTIAL (.0
40
TR21-8120
Scheibe
41
TR
42
TR72-9420
VENT
43
TR2811-9
Kruemmer
44
TR289-38
Nippel
TR28-0640
Gehaeuse-Umbausatz
45
TR43-6850
Achsgehaeuse
Gestione della qualità
Aiutaci a migliorare il nostro sito. Informaci se trovi un errore.