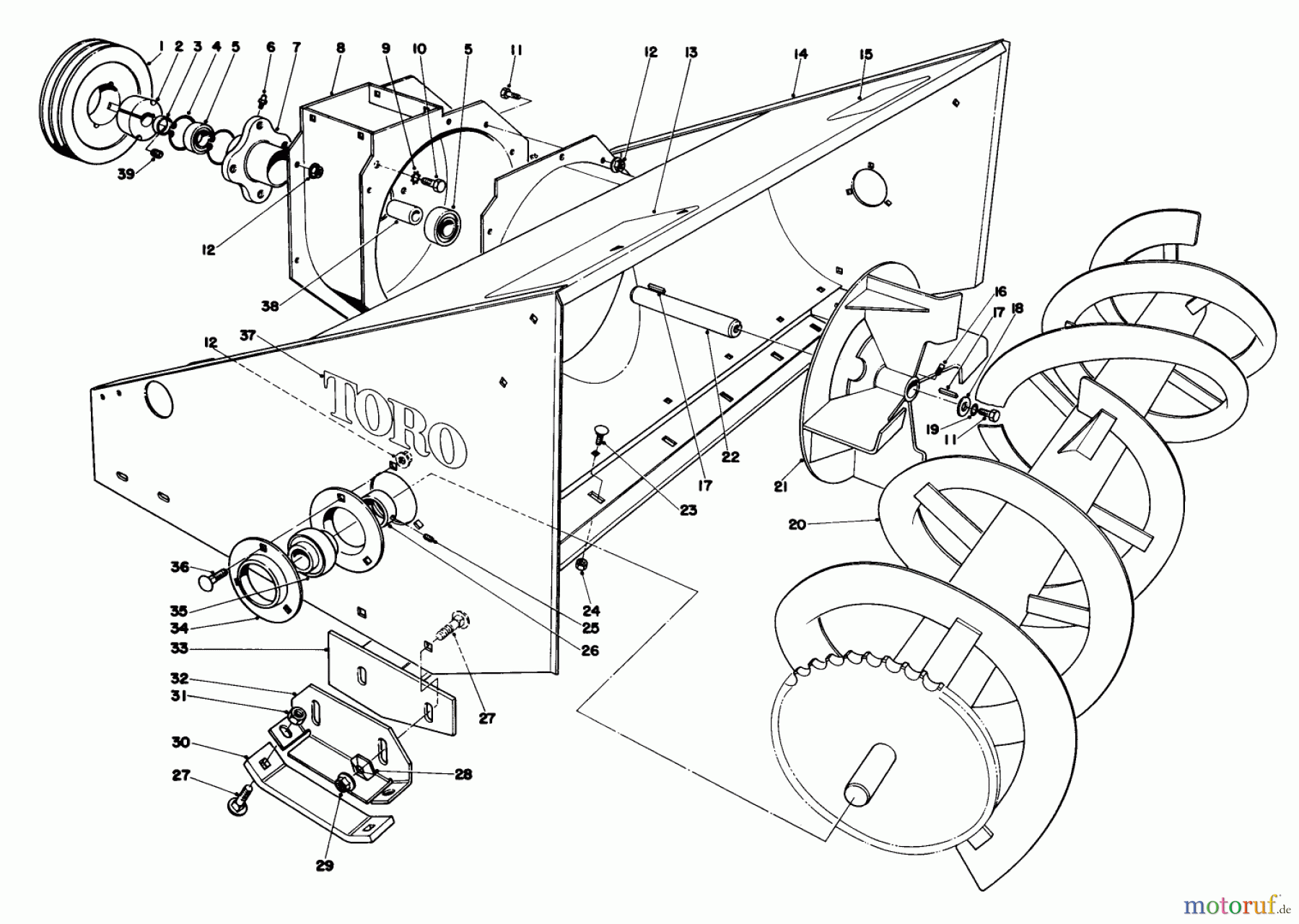
Mähdecks 48" SNOWTHROWER MODEL NO. 30570 (OPTIONAL) #1 Ricambi
48" SNOWTHROWER MODEL NO. 30570 (OPTIONAL) #1 30721 - Toro 72" Side Discharge Mower (SN: 000001 - 099999) (1980)



Gestione della qualità
Aiutaci a migliorare il nostro sito. Informaci se trovi un errore.



