.it
Carrello
vuoto
Il mio account
Registrati
Log in
Benvenuti
Contatti
Spedizione
L’azienda
Guest book
Condizioni e Privacy
Catalogare
Tagliare, profilare
Componenti per motore
Officine meccaniche
Parti e componentistica per macchine varie
Forestali
Articoli elettrici
Articoli invernali
Cinghie trapezoidali e relative pulegge
Filters
PEZZI DI RICAMBIO
Sprocket Rims
Guide Bars
Chainsaw Chains
Search by Part Number
Diagrammi ed elenchi
Servizio
Determine Chain
Ricerca
DE
EN
FR
ES
IT
Versione mobile
Tanaka HTD-2520PF - Hedge Trimmer Clutch, Starter, Muffler Components Ricambi
Start
Tanaka
Heckenscheeren
HTD-2520PF - Tanaka Hedge Trimmer
Clutch, Starter, Muffler Components
Clutch, Starter, Muffler Components HTD-2520PF - Tanaka Hedge Trimmer
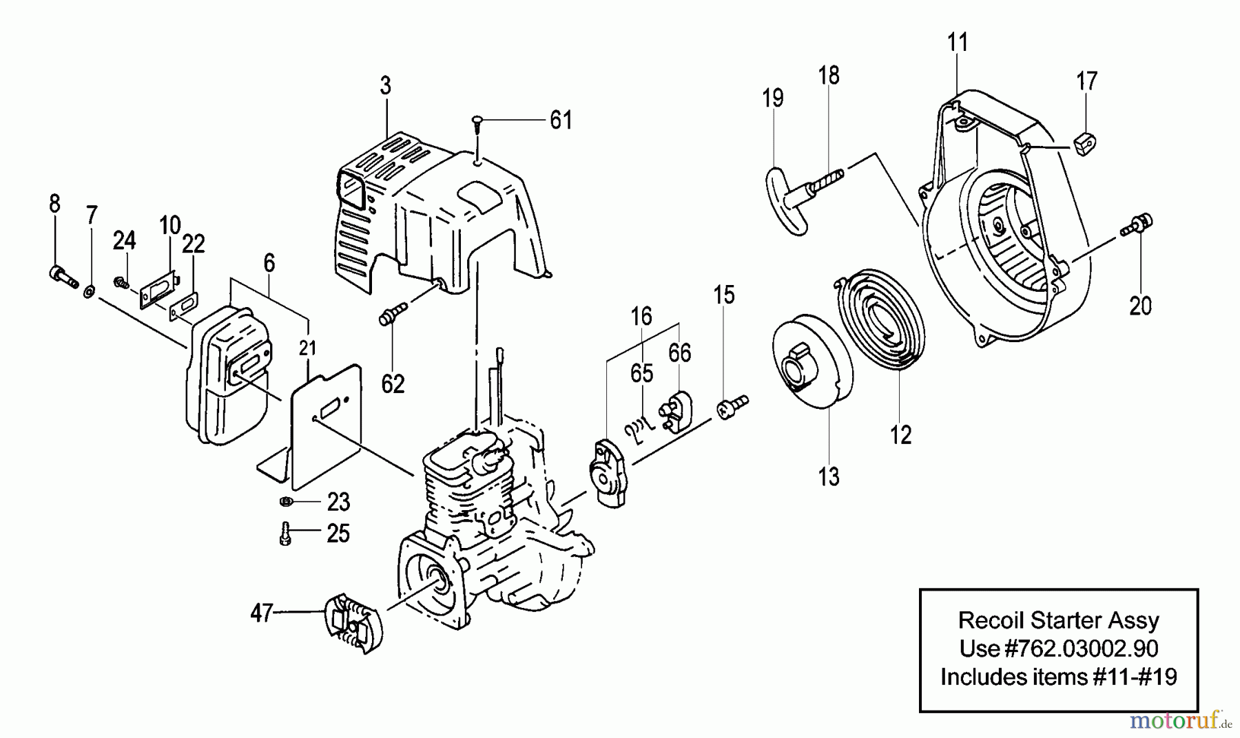
Posizione
Articolo numero
Descrizione
3
669-2772
Auspuffschutz HTS2530PF
6
669-2451
Auspuff Set HTS
7
668-4639
Scheibe -P219450, 992-01060-
8
669-5086
Schraube TBC 340 / D
10
669-2646
Auspuffrohr
11
668-6957
Starterdeckel HTS
12
668-4675
Starterfeder 780-06097-20
13
669-3066
Seilrolle 774-06097-20
15
669-3633
Schraube L170133,s.TB.
16
669-3405
Startermitnehmer kpl. 798-
17
668-8049
Kabelklemme -L122850, siehe TB
18
669-3168
Starterseil TBC250SDH,TPS200/
19
669-3224
Startergriff TBC300SDH/
20
668-4682
Schraube
21
669-2718
Hitzeschild HTS
22
669-2696
Funkensieb TBC420/430PF
23
668-4661
Scheibe -P219450,P219451-,
24
669-5471
Schraube
25
669-5332
Schraube
47
668-8494
Kupplung kpl. 277-0634F-91
61
669-5104
Schraube .
62
669-5441
Schraube THT1800,THT2530/2540,
65
6684684
Klinkenfeder TBC250SDH,TPS200/
66
669-3319
Starterklinke 788-06500-20
Gestione della qualità
Aiutaci a migliorare il nostro sito. Informaci se trovi un errore.