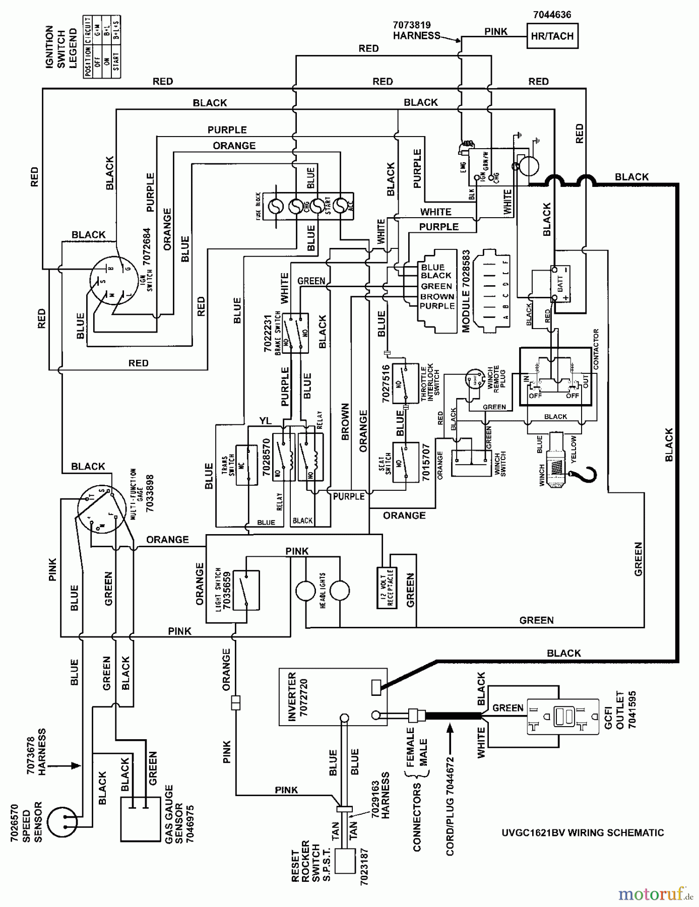
Snapper UVGT1621BV (7085903) - Trail Cruiser Utility Vehicle, 16 HP, Series 1 WIRING SCHEMATIC- UVGT (UVGC) Model Ricambi
WIRING SCHEMATIC- UVGT (UVGC) Model UVGT1621BV (7085903) - Snapper Trail Cruiser Utility Vehicle, 16 HP, Series 1



Gestione della qualità
Aiutaci a migliorare il nostro sito. Informaci se trovi un errore.

