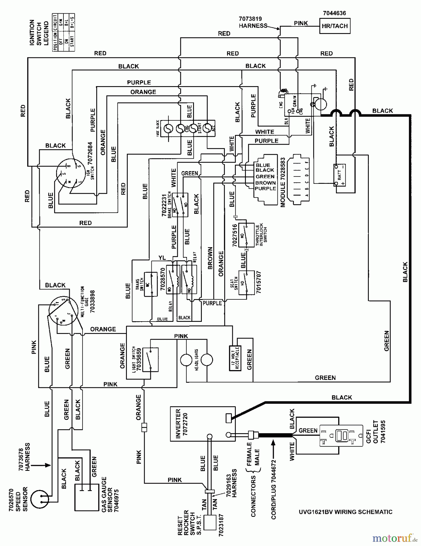
Snapper UVG1621BV (7085632) - Turf Cruiser Utility Vehicle, 16 HP, Series 1 WIRING SCHEMATIC- UVG Model Ricambi
WIRING SCHEMATIC- UVG Model UVG1621BV (7085632) - Snapper Turf Cruiser Utility Vehicle, 16 HP, Series 1



Gestione della qualità
Aiutaci a migliorare il nostro sito. Informaci se trovi un errore.

